您所在位置: 网站首页 / 文档列表 / 机械理论及资料 / 文档详情
机械工业培训鉴定机构职业(工种)培训鉴定范围doc-机械.docx 立即下载
上传人:冬易****娘子 上传时间:2024-09-04 格式:DOCX 页数:7 大小: 金币:10 举报 版权申诉
预览加载中,请您耐心等待几秒...

机械工业培训鉴定机构职业(工种)培训鉴定范围doc-机械.docx

机械工业培训鉴定机构职业(工种)培训鉴定范围doc-机械.docx

预览

在线预览结束,喜欢就下载吧,查找使用更方便

10 金币

下载文档

如果您无法下载资料,请参考说明:

1、部分资料下载需要金币,请确保您的账户上有足够的金币

2、已购买过的文档,再次下载不重复扣费

3、资料包下载后请先用软件解压,在使用对应软件打开

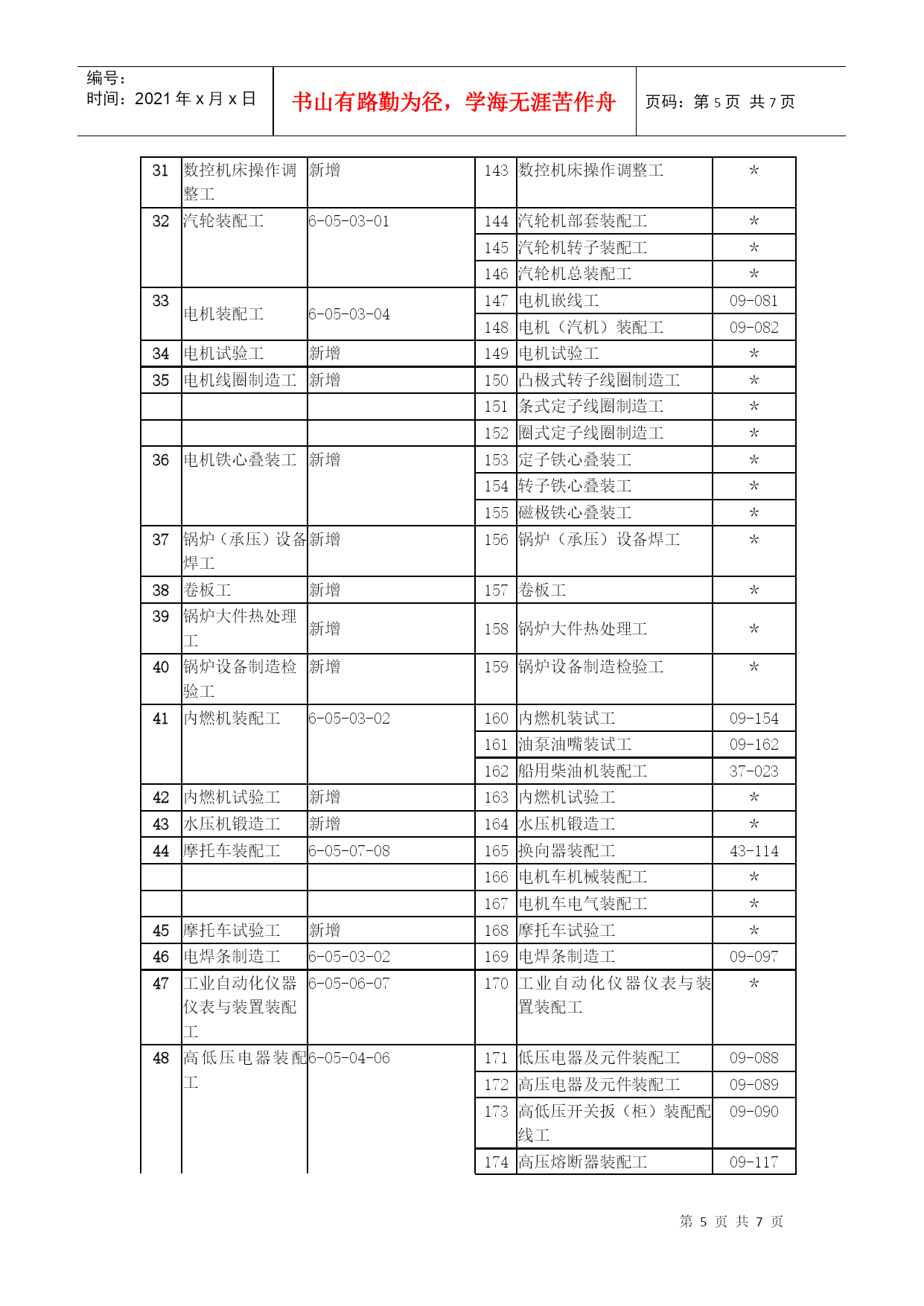
编号:时间:2021年x月x日书山有路勤为径,学海无涯苦作舟页码:第PAGE7页共NUMPAGES7页第PAGE\*MERGEFORMAT7页共NUMPAGES\*MERGEFORMAT7页机械工业培训鉴定机构职业(工种)培训鉴定范围序号职业标准名称职业分类大典名称、编码序号所含职业(工种)名称编码1电线电缆制造工电线电缆制造工1铜铝杆生产工2拉线工3镀制工4挤塑工5挤橡工6交联工7包制工8绞制工9金属护套制造工10干燥浸油工11漆包工12电线电缆检验工13光缆制造工2铁心叠装工铁心叠装工6-05-04-0114变压器铁心叠装工*15电抗器铁心叠装工*3变压器、互感器装配工变压器、互感器装配工6-05-04-0516变压器装配工09-09417互感器装配工09-09418变压器处理工*4变压器试验工变压器、互感器装配工6-05-04-0519变压器、互感器试验工09-0965绝缘制品件装配工绝缘制品件装配工6-05-04-0220绝缘制品工(含变压器互感器绝缘件装配工)09-0456变压器绕组制造工线圈绕制工6-05-04-0321变压器线圈压装整形工*22绝缘处理浸渍工09-04423环氧树脂浇注工09-0917汽车(拖拉机)装配工汽车(拖拉机)装配工6-05-07-01(进行汽车整车及机电设备、运输车辆板簧、滤油器、齿轮箱等部件装配人员)24汽车装调工44-00125汽车内饰装调工44-00226发动机装调工44-00527变速箱装调工44-00728汽车前后桥装调工44-00929化油器装调工44-01030油泵装调工44-01131汽车空调机装调工44-01232散热器制造工44-01333钢圈制造工44-01434轴瓦双金属带浇注工44-01535汽车板金工44-01736汽车软轴制造工44-02037汽车仪表装调工44-02138汽车电器装调工44-02239汽车电机装调工44-02340钨触头(白金)制造工44-02541汽车板簧工44-02642汽车部件装调工44-03043涡轮增压器装试工09-15844刹车装置装试工09-15945滤清器装试工09-16746齿轮箱装试工09-16847滤油器制装工*48农机配件装试工*8拖拉机装配工汽车(拖拉机)装配工6-05-07-0149拖拉机整车装配工*50拖拉机部件总成装配工*51拖拉机电器装配工*9机动车检验工机动车检验工6-26-01-26(对汽车、摩托车等机动车的车身、车架、发动机、化油器、电器、变速箱及传动、制动系统进行试验、检验检查人员)52汽车道路试验工44-00353汽车性能试验工44-00454发动机试验工44-00655变速箱试验工44-00856汽车电器试验工44-02457发动机检验工44-02758变速箱检验工44-02859汽车电器检查工44-02960汽车检验工44-04961汽车试验工44-05062汽车维修检验工20-02010汽车生产线操作调整工新增63汽车机加生产线工44-01664汽车铸造生产线工44-03165汽车锻造生产线工44-03266汽车焊装生产线工44-01867汽车涂装生产线工44-03368汽车热处理生产线工44-03469汽车冲压生产线工44-03511汽车饰件制造工新增70汽车塑料配料工44-03671汽车塑料注塑工44-03772汽车塑料真空成型工44-03873汽车热塑成型工44-03974汽车聚氨酯发泡工44-04075汽车聚氨酯浇注成型工44-04176汽车饰件粘结工44-04277汽车热熔(高频)复合工44-04378汽车饰件热压成型工44-04479汽车饰件缝工44-04580汽车饰件装配工44-04681汽车饰件检验工44-04782汽车饰件挤出工44-05183汽车饰件吹塑工44-05284汽车线束制造工44-05312汽车模型工新增85汽车模型工44-04813轴承制造工新增86轴承零件毛坯成型工*87轴承套圈粗制造*88轴承套圈精制造*89轴承滚子制造*90轴承钢球制造*91冲压保持架制造*92实体保持架制造*93轴承零件热处理*14轴承装配工基础件装配工6-05-01-0194轴承装配工09-14615轴承试验工产品可靠性能检验工6-26-01-0695轴承试验工09-15116轴承检查工机械产品检验工6-26-01-2496轴承检查工09-18217电子仪器仪表装配工电子仪器仪表装配工6-05-06-0397电子仪器仪表装调工09-04718电工仪器仪表装配工电工仪器仪表装配工6-05-06-0898电工、电路仪器仪表装调工09-04899电能表校验工11-065100电磁计量检定工30-01419分析仪器仪表装配工分析仪器仪表装配
单篇购买
VIP会员(1亿+VIP文档免费下)

扫码即表示接受《下载须知》

机械工业培训鉴定机构职业(工种)培训鉴定范围doc-机械

文档大小:

限时特价:扫码查看

• 请登录后再进行扫码购买
• 使用微信/支付宝扫码注册及付费下载,详阅 用户协议 隐私政策
• 如已在其他页面进行付款,请刷新当前页面重试
• 付费购买成功后,此文档可永久免费下载
年会员
99.0
¥199.0

6亿VIP文档任选,共次下载特权。

已优惠

微信/支付宝扫码完成支付,可开具发票

VIP尽享专属权益

VIP文档免费下载

赠送VIP文档免费下载次数

阅读免打扰

去除文档详情页间广告

专属身份标识

尊贵的VIP专属身份标识

高级客服

一对一高级客服服务

多端互通

电脑端/手机端权益通用

手机号注册 用户名注册
我已阅读并接受《用户协议》《隐私政策》
已有账号?立即登录
我已阅读并接受《用户协议》《隐私政策》
已有账号?立即登录
登录
手机号登录 微信扫码登录
微信扫一扫登录 账号密码登录

首次登录需关注“豆柴文库”公众号

新用户注册
VIP会员(1亿+VIP文档免费下)
年会员
99.0
¥199.0

6亿VIP文档任选,共次下载特权。

已优惠

微信/支付宝扫码完成支付,可开具发票

VIP尽享专属权益

VIP文档免费下载

赠送VIP文档免费下载次数

阅读免打扰

去除文档详情页间广告

专属身份标识

尊贵的VIP专属身份标识

高级客服

一对一高级客服服务

多端互通

电脑端/手机端权益通用