您所在位置: 网站首页 / 文档列表 / 嵌入式开发 / 文档详情
第13章 单片机讲义1.pdf 立即下载
上传人:yy****24 上传时间:2024-09-04 格式:PDF 页数:30 大小:371KB 金币:18 举报 版权申诉
预览加载中,请您耐心等待几秒...

第13章 单片机讲义1.pdf

第13章单片机讲义1.pdf

预览

免费试读已结束,剩余 20 页请下载文档后查看

18 金币

下载文档

如果您无法下载资料,请参考说明:

1、部分资料下载需要金币,请确保您的账户上有足够的金币

2、已购买过的文档,再次下载不重复扣费

3、资料包下载后请先用软件解压,在使用对应软件打开

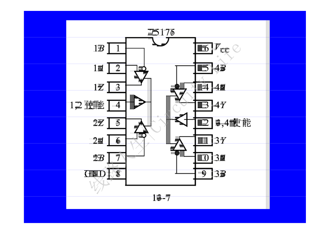
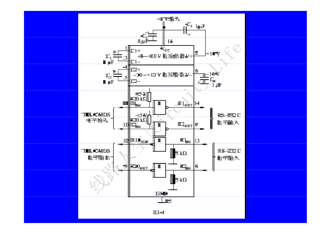
第13章MCS-51的串行通讯技术及其它扩展接口13.1MCS-51单片机的串行通讯接口技术MCS-51串行口的输入、输出均为TTL电平,抗干扰性差,传输距离短。为提高串行通讯的可靠性,增大串行通讯的距离,采用标准串行接口,如RS-232、RS-422A、RS-485等标准。RS-232是由美国电子工业协会(EIA)于1962年制定的标准.13.1.1各种标准线路人生|Circuity串行通讯接口Life一、RS-232C接口定义数据终端设备(DTE)和数据通讯设备(DCE)之间的串行接口标准。图13-1是两台计算机利用MODEM、电话线进行远距离串行通讯的示意图,DTE为计算机,DCE的典型代表是MODEM。线路人生|CircuityLife线路人生|CircuityLife图13-2为RS-232C的“D”型9针插头的引脚定义。线路人生|CircuityLife线路人生|CircuityLife线路人生|CircuityLife线路人生|CircuityLife线路人生|CircuityLife线路人生|CircuityLife线路人生|CircuityLife线路人生|CircuityLife线路人生|CircuityLife线路人生|CircuityLife线路人生|CircuityLife线路人生|CircuityLife线路人生|CircuityLife线路人生|CircuityLife线路人生|CircuityLife线路人生|CircuityLife线路人生|CircuityLife线路人生|CircuityLife线路人生|CircuityLife线路人生|CircuityLife线路人生|CircuityLife线路人生|CircuityLife线路人生|CircuityLife线路人生|CircuityLife线路人生|CircuityLife线路人生|CircuityLife线路人生|CircuityLife
单篇购买
VIP会员(1亿+VIP文档免费下)

扫码即表示接受《下载须知》

第13章 单片机讲义1

文档大小:371KB

限时特价:扫码查看

• 请登录后再进行扫码购买
• 使用微信/支付宝扫码注册及付费下载,详阅 用户协议 隐私政策
• 如已在其他页面进行付款,请刷新当前页面重试
• 付费购买成功后,此文档可永久免费下载
年会员
99.0
¥199.0

6亿VIP文档任选,共次下载特权。

已优惠

微信/支付宝扫码完成支付,可开具发票

VIP尽享专属权益

VIP文档免费下载

赠送VIP文档免费下载次数

阅读免打扰

去除文档详情页间广告

专属身份标识

尊贵的VIP专属身份标识

高级客服

一对一高级客服服务

多端互通

电脑端/手机端权益通用

手机号注册 用户名注册
我已阅读并接受《用户协议》《隐私政策》
已有账号?立即登录
我已阅读并接受《用户协议》《隐私政策》
已有账号?立即登录
登录
手机号登录 微信扫码登录
微信扫一扫登录 账号密码登录

首次登录需关注“豆柴文库”公众号

新用户注册
VIP会员(1亿+VIP文档免费下)
年会员
99.0
¥199.0

6亿VIP文档任选,共次下载特权。

已优惠

微信/支付宝扫码完成支付,可开具发票

VIP尽享专属权益

VIP文档免费下载

赠送VIP文档免费下载次数

阅读免打扰

去除文档详情页间广告

专属身份标识

尊贵的VIP专属身份标识

高级客服

一对一高级客服服务

多端互通

电脑端/手机端权益通用