您所在位置: 网站首页 / 文档列表 / 机械理论及资料 / 文档详情
机械设备表.docx 立即下载
上传人:美丽****ka 上传时间:2024-09-04 格式:DOCX 页数:4 大小: 金币:10 举报 版权申诉
预览加载中,请您耐心等待几秒...

机械设备表.docx

机械设备表.docx

预览

在线预览结束,喜欢就下载吧,查找使用更方便

10 金币

下载文档

如果您无法下载资料,请参考说明:

1、部分资料下载需要金币,请确保您的账户上有足够的金币

2、已购买过的文档,再次下载不重复扣费

3、资料包下载后请先用软件解压,在使用对应软件打开

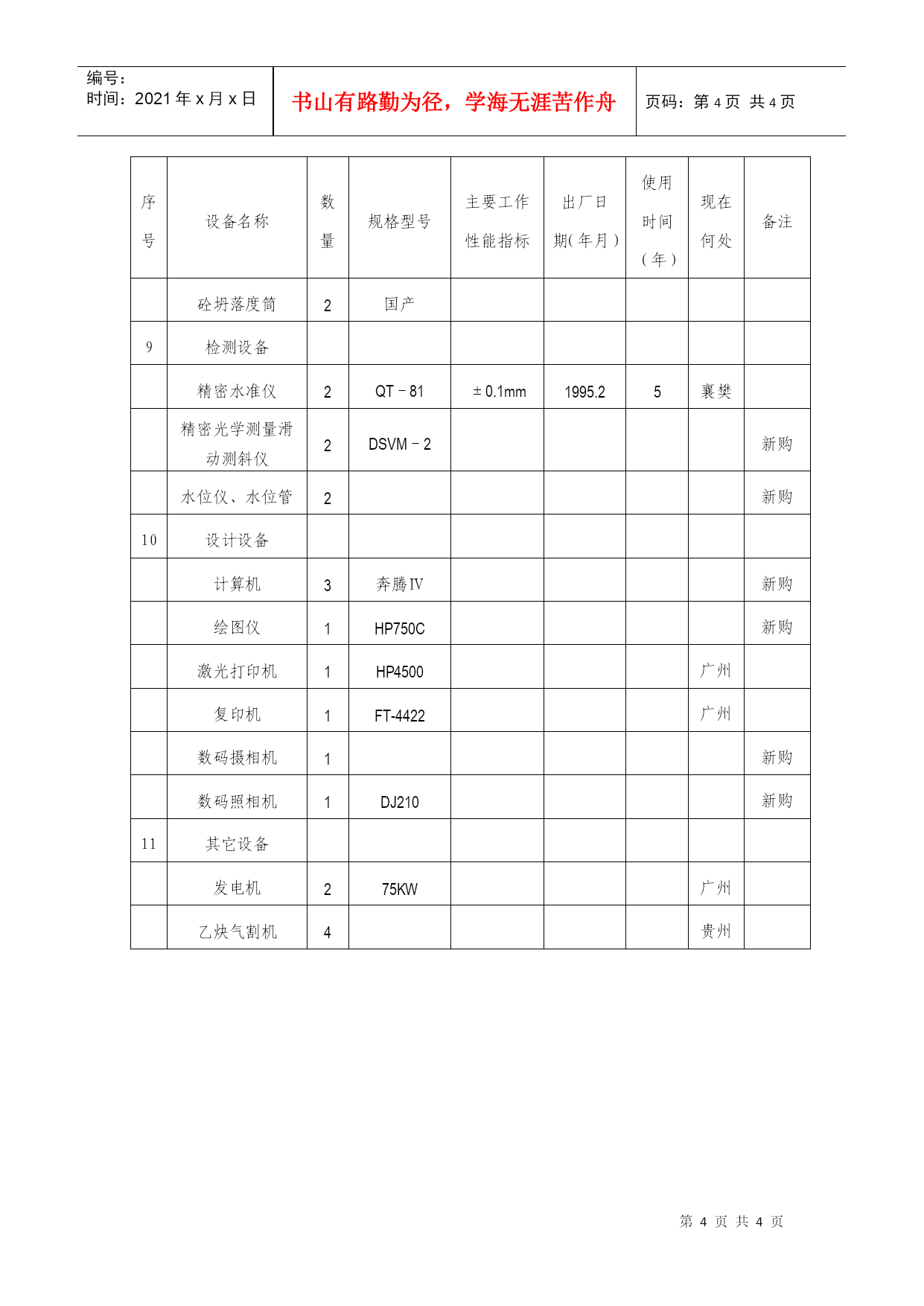
编号:时间:2021年x月x日书山有路勤为径,学海无涯苦作舟页码:第PAGE4页共NUMPAGES4页第PAGE\*MERGEFORMAT4页共NUMPAGES\*MERGEFORMAT4页4.主要施工设备表序号设备名称数量规格型号主要工作性能指标出厂日期(年月)使用时间(年)现在何处备注1土、石方施工专用设备轮胎装载机1柳工ZL501.8m32001.23武汉挖掘机(反铲)2PC2001.2m32001.73襄樊推土机2SH1802001.23襄樊自卸车6北方奔驰2001.83襄樊载重车2东风141型2000.34襄樊2基础工程施工专用设备冲击钻机152002.82武汉风镐4G1043J2001.73广州混凝土搅拌机2JZ50015m3/h2003.61襄樊砂浆搅拌机2JIS-1010m3/h2003.31襄樊泥浆泵26BS2002.32襄樊水泵4Φ702003.11襄樊交流电焊机630KW2001.63襄樊吊车2QY162001.43广州3结构工程施工专用设备物料提升架4新购混凝土搅拌机2JZ50015m3/h2003.61襄樊千斤顶及配套油泵4YCW-250250吨2002.82襄樊砂浆搅拌机2JIS-1010m3/h2003.31襄樊水泵2扬程30mΦ702003.11襄樊4钢结构施工设备待定5运输设备自卸车2北方奔驰2001.83襄樊载重车2东风141型2000.34襄樊砼搅拌运输车10HNJ5321GJB2000.14广州机动翻斗车4FC-1A1999.25广州6起重设备汽车吊2QY-251999.25武汉7钢筋、砼施工设备砼输送泵2HBT-602001.43广州砼输送泵(车泵)22001.13广州插入式振捣器24ZP502003.41广州平板振动器42003.11广州钢筋弯曲机2CW-402002.32襄樊钢筋切割机4CQ-402002.12襄樊闪光对焊机1BX1-3152003.11武汉电焊机6BX-6002003.51广州双缝电热焊机12003.11襄樊钢筋调直机23KW2001.53襄樊木工刨床2MB-1502001.93广州木工电锯3MJ-2202001.53广州钻床1LZ-1502002.92襄樊弯管机2HWG3202001.33襄樊8检验、试验设备GPS全球定位系统3NGS-200±5mm+2ppm.d1998.122襄樊全站仪1WLLD1700±2mm+2ppm.d1998.123襄樊激光铅直仪2ZNL1:2000001997.93襄樊经纬仪2T22"1993.57襄樊经纬仪2010B2"1993.57襄樊水准仪2NA2±0.2mm1997.113襄樊天平21/10TG-982A100g1993.107襄樊砼回弹仪1HT-225T1994.36襄樊数字粉尘仪2P-5L21998.52陕西智能复合气体检测仪1法国产1998.52陕西砼坍落度筒2国产9检测设备精密水准仪2QT-81±0.1mm1995.25襄樊精密光学测量滑动测斜仪2DSVM-2新购水位仪、水位管2新购10设计设备计算机3奔腾Ⅳ新购绘图仪1HP750C新购激光打印机1HP4500广州复印机1FT-4422广州数码摄相机1新购数码照相机1DJ210新购11其它设备发电机275KW广州乙炔气割机4贵州
单篇购买
VIP会员(1亿+VIP文档免费下)

扫码即表示接受《下载须知》

机械设备表

文档大小:

限时特价:扫码查看

• 请登录后再进行扫码购买
• 使用微信/支付宝扫码注册及付费下载,详阅 用户协议 隐私政策
• 如已在其他页面进行付款,请刷新当前页面重试
• 付费购买成功后,此文档可永久免费下载
年会员
99.0
¥199.0

6亿VIP文档任选,共次下载特权。

已优惠

微信/支付宝扫码完成支付,可开具发票

VIP尽享专属权益

VIP文档免费下载

赠送VIP文档免费下载次数

阅读免打扰

去除文档详情页间广告

专属身份标识

尊贵的VIP专属身份标识

高级客服

一对一高级客服服务

多端互通

电脑端/手机端权益通用

手机号注册 用户名注册
我已阅读并接受《用户协议》《隐私政策》
已有账号?立即登录
我已阅读并接受《用户协议》《隐私政策》
已有账号?立即登录
登录
手机号登录 微信扫码登录
微信扫一扫登录 账号密码登录

首次登录需关注“豆柴文库”公众号

新用户注册
VIP会员(1亿+VIP文档免费下)
年会员
99.0
¥199.0

6亿VIP文档任选,共次下载特权。

已优惠

微信/支付宝扫码完成支付,可开具发票

VIP尽享专属权益

VIP文档免费下载

赠送VIP文档免费下载次数

阅读免打扰

去除文档详情页间广告

专属身份标识

尊贵的VIP专属身份标识

高级客服

一对一高级客服服务

多端互通

电脑端/手机端权益通用