您所在位置: 网站首页 / 文档列表 / 市政工程 / 文档详情
交通标识标牌安装工程施工方案方法.docx 立即下载
上传人:书生****文章 上传时间:2024-09-07 格式:DOCX 页数:9 大小:71KB 金币:10 举报 版权申诉
预览加载中,请您耐心等待几秒...

交通标识标牌安装工程施工方案方法.docx

交通标识标牌安装工程施工方案方法.docx

预览

在线预览结束,喜欢就下载吧,查找使用更方便

10 金币

下载文档

如果您无法下载资料,请参考说明:

1、部分资料下载需要金币,请确保您的账户上有足够的金币

2、已购买过的文档,再次下载不重复扣费

3、资料包下载后请先用软件解压,在使用对应软件打开

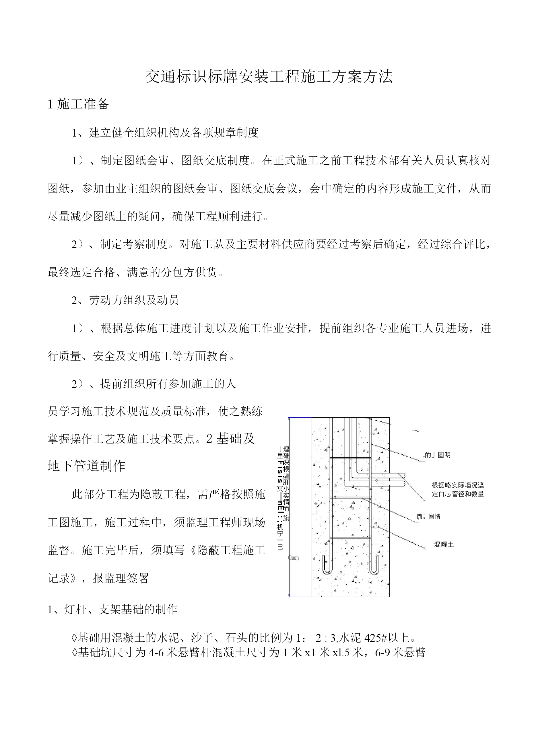
交通标识标牌安装工程施工方案方法1施工准备1、建立健全组织机构及各项规章制度1)、制定图纸会审、图纸交底制度。在正式施工之前工程技术部有关人员认真核对图纸,参加由业主组织的图纸会审、图纸交底会议,会中确定的内容形成施工文件,从而尽量减少图纸上的疑问,确保工程顺利进行。2)、制定考察制度。对施工队及主要材料供应商要经过考察后确定,经过综合评比,最终选定合格、满意的分包方供货。2、劳动力组织及动员1)、根据总体施工进度计划以及施工作业安排,提前组织各专业施工人员进场,进行质量、安全及文明施工等方面教育。2)、提前组织所有参加施工的人的]圆明而。圆情混曜土根据略实际墙况遮定白芯管径和数量埋础深根虐肝小实情而旗『里Fisis冥—nEl:;机宁一巴员学习施工技术规范及质量标准,使之熟练掌握操作工艺及施工技术要点。2基础及地下管道制作此部分工程为隐蔽工程,需严格按照施工图施工,施工过程中,须监理工程师现场监督。施工完毕后,须填写《隐蔽工程施工记录》,报监理签署。1、灯杆、支架基础的制作◊基础用混凝土的水泥、沙子、石头的比例为1:2:3,水泥425#以上。◊基础坑尺寸为4-6米悬臂杆混凝土尺寸为1米x1米xl.5米,6-9米悬臂杆混凝土尺寸为1.2米xl.2米xl.5米,人行灯杆混凝土尺寸为0.5米x0.5米x0.5米。一般情况下,上坑不得大于标注尺寸的10%;坑底不得小于标注尺寸。◊安放规定的地笼于基础坑内,地笼材料为M24螺纹钢或M18螺纹钢,下地笼时注意地笼方向,一般规定地笼法兰盘对应两笼脚平行于指示方向。焊接好接地引线浇注混凝土至引出管位置后安放弯管与管道顺接,浇注混凝土至原地平面。混凝土标号为C25。◊使用水平尺检测调整地笼法兰盘至水平位置,保持法兰盘下平面与混凝土结合紧密。上平面高出地面10毫米,并固定。◊使用震捣器沿基础坑内地笼四周震捣,把混凝土捣实并出浆,必要时分步添加混凝土,使捣实后的基础平面与地平面持平。◊重复水平检测和震捣步骤和要求,达到规定标准,然后在基础坑周围设置围挡,严防践踏、碰撞基础结构件,直到混凝土基本固化。◊使用水泥灰浆沿地笼基础四周,抹平滑成自然漫坡,修整基础四周与原地面顺接。2、机箱基础的制作◊机箱基础坑尺寸按规定要求施工。要求坑底和坑壁平整,如遇松土或沙石地质,可适度扩大基础坑尺寸,四周用机砖围出要求尺寸的基础坑。◊使用C20或C25混凝土填入坑内50毫米,并抹平。◊使用10号铁丝把机箱支架与基础钢筋网捆在一起要求不要太紧,以利于安装时能够调整支架。◊把支架与钢筋网放入基础坑内并调整好机架位置后再填入混凝土70毫米至支架下角钢上边沿。使用水平尺调整支架水平角度后,抹平混凝土表面。◊待混凝土基础固化后,从检查井至支架并排放入4根①80毫米镀锌焊管,并焊接接地极至支架和金属管道,组成接地地线网。◊基础机砖沿支架外沿码砌单砖墙到支架边沿,预留不小于10毫米灰,使用水泥灰浆包封砖墙四周。要求遍角整齐、墙面平整、坑内干净。◊基础外围可恢复原地面。也可视需要制做混凝土平台,但应平整美观与原地面等高。完成后的机箱基础与平面应高于地面2±10毫米。3地感线圈的切割与埋设◊地感线圈采用手推式切割机直接在道路表面进行切割,切割深度为30-40mm。◊线圈切宽4-8mm,线圈宽度为60mm,纵向间隔2.4m,对称分布于停车线两侧。线圈长度依行车道宽度而定。线圈四角切成150mmx45°的斜角,以提高线圈的抗拉强度。◊将线圈线RVNZ48/0.2顺时针在切里绕行,埋设4-5圈,然后将两边线头双绞后顺专门的切埋至路边接线井。◊将切用道路密封材料进行灌封处理。4线缆敷设待基础及地下管道混凝土硬化、保养达标后(根据情况需5至7天),即可进行电缆施放。1、电缆线的敷设◊一般情况下信号灯使用的电缆线采用地下敷设。除地下检查井外,地下敷设的电缆不得有接头。每根电缆线应留有4M左右的余量。◊地下电缆线穿线管拐弯处或长度超过60M时应设置检测手井。检测井底部应有渗水孔。◊电缆敷设后,应测量电缆的各项性能指标(如绝缘值、电阻率)2、通讯电缆线的敷设◊电缆的弯曲半径应大于电缆直径的15倍◊通讯电缆应与电源线和控制线分开。◊室外设备连接电缆时,宜从设备下部进线。◊电缆长度应逐盘核对,并根据设计图上各段线路的长度来选配电缆。避免电缆的接续,当电缆接续时应采用专用接插件。◊架空架设电缆时,宜将电缆吊线固定在电杆上,在用电缆挂钩把电缆卡挂在吊线上,挂钩的间距宜为0.50.6m。3、管道敷设管道电缆应符合下列要求◊敷设管道线之前,应清刷管孔。◊管孔内预设一根镀锌铁线。◊穿放电缆时宜涂抹黄油或滑石粉。◊管与电缆间应衬铅皮,铅皮应包在管上。◊进
单篇购买
VIP会员(1亿+VIP文档免费下)

扫码即表示接受《下载须知》

交通标识标牌安装工程施工方案方法

文档大小:71KB

限时特价:扫码查看

• 请登录后再进行扫码购买
• 使用微信/支付宝扫码注册及付费下载,详阅 用户协议 隐私政策
• 如已在其他页面进行付款,请刷新当前页面重试
• 付费购买成功后,此文档可永久免费下载
年会员
99.0
¥199.0

6亿VIP文档任选,共次下载特权。

已优惠

微信/支付宝扫码完成支付,可开具发票

VIP尽享专属权益

VIP文档免费下载

赠送VIP文档免费下载次数

阅读免打扰

去除文档详情页间广告

专属身份标识

尊贵的VIP专属身份标识

高级客服

一对一高级客服服务

多端互通

电脑端/手机端权益通用

手机号注册 用户名注册
我已阅读并接受《用户协议》《隐私政策》
已有账号?立即登录
我已阅读并接受《用户协议》《隐私政策》
已有账号?立即登录
登录
手机号登录 微信扫码登录
微信扫一扫登录 账号密码登录

首次登录需关注“豆柴文库”公众号

新用户注册
VIP会员(1亿+VIP文档免费下)
年会员
99.0
¥199.0

6亿VIP文档任选,共次下载特权。

已优惠

微信/支付宝扫码完成支付,可开具发票

VIP尽享专属权益

VIP文档免费下载

赠送VIP文档免费下载次数

阅读免打扰

去除文档详情页间广告

专属身份标识

尊贵的VIP专属身份标识

高级客服

一对一高级客服服务

多端互通

电脑端/手机端权益通用