您所在位置: 网站首页 / 文档列表 / 机械/模具设计 / 文档详情
冷冲压工艺及模具设计课程设计指导书.docx 立即下载
上传人:邻家****66 上传时间:2024-09-04 格式:DOCX 页数:15 大小: 金币:10 举报 版权申诉
预览加载中,请您耐心等待几秒...

冷冲压工艺及模具设计课程设计指导书.docx

冷冲压工艺及模具设计课程设计指导书.docx

预览

免费试读已结束,剩余 5 页请下载文档后查看

10 金币

下载文档

如果您无法下载资料,请参考说明:

1、部分资料下载需要金币,请确保您的账户上有足够的金币

2、已购买过的文档,再次下载不重复扣费

3、资料包下载后请先用软件解压,在使用对应软件打开

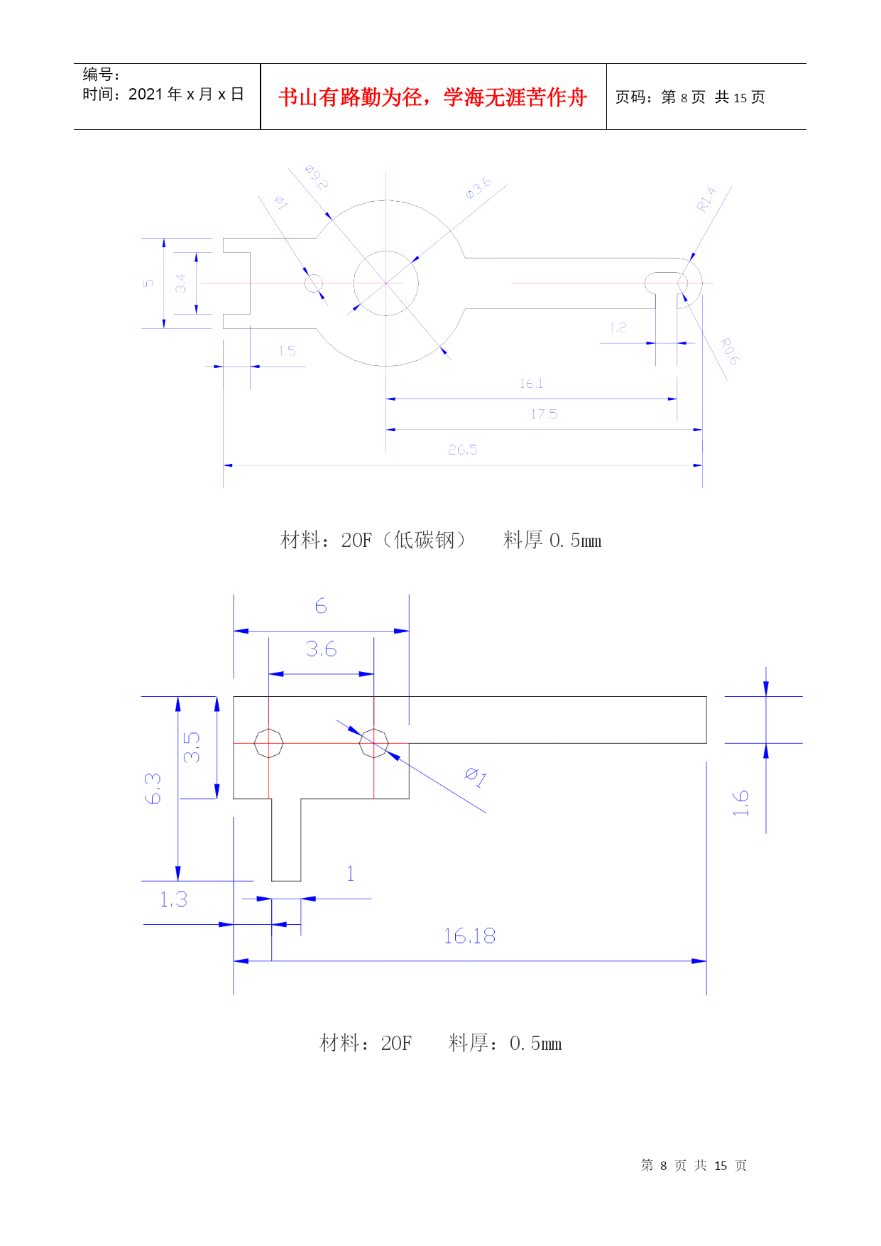
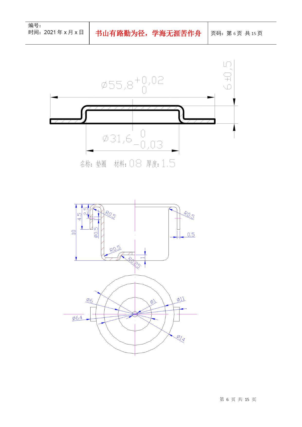
编号:时间:2021年x月x日书山有路勤为径,学海无涯苦作舟页码:第PAGE15页共NUMPAGES15页第PAGE\*MERGEFORMAT15页共NUMPAGES\*MERGEFORMAT15页《冷冲压工艺及模具设计》课程设计指导书一、课程设计的目的《冷冲压工艺与模具设计》课程设计是冷冲模课程的最后一个教学环节,同时是第一次对学生进行全面的模具设计训练。其基本目的是:(1)综合运用冷冲模课程和其它有关先修课程的理论及生产实践的知识去分析和解决模具设计问题,并使所学专业知识得到进一步巩固和深化。(2)学习模具设计的一般方法,了解和掌握常用模具整体设计、零部件的设计过程和计算方法,培养正确的设计思想和分析问题、解决问题的能力,特别是总体设计和计算的能力。(3)通过计算和绘图,学会运用标准、规范、手册、图册和查阅有关技术资料等,培养模具设计的基本技能。二、课程设计的内容课程设计的题目为常用简单冲压零件的冲模设计,具体题目见每组的分组名单。其具体内容如下:(1)模具整体方案设计,包括零件的工艺分析、模具类型的确定、压力中心计算、刃口尺寸计算、压力机选择等;(2)模具整装配图和模具重要零件设计;(3)编写设计计算说明书。要求每个学生完成:模具整体装配图1张,凸模、凹模、凸凹模等零件图3-5张,设计计算说明书1份(不少于20页)。三、设计成绩课程设计单独计算一门课程成绩,成绩分为优、良、中、及格、不及格五等。材料:20F料厚:0.8mm材料:20F料厚:1mm材料:20F(低碳钢)料厚0.5mm材料:20F料厚:0.5mm变压器铁芯片材料:D310衬板材料:30未注圆角R0.5生产批量:大批量材料:08F料厚:1mm未注圆角R0.4生产批量:大批量材料:08F料厚:1mm材料为Q235钢,板料厚度t=3mm生产批量:大批量材料为08钢,板料厚度t=1mm生产批量:大批量材料为Q235钢,板料厚度t=1.5mm生产批量:大批量材料为Q235钢,板料厚度t=1.5mm生产批量:大批量材料为Q235钢,板料厚度t=1.5mm生产批量:大批量材料为08钢,板料厚度t=1mm生产批量:大批量材料为08钢,板料厚度t=1mm生产批量:大批量
单篇购买
VIP会员(1亿+VIP文档免费下)

扫码即表示接受《下载须知》

冷冲压工艺及模具设计课程设计指导书

文档大小:

限时特价:扫码查看

• 请登录后再进行扫码购买
• 使用微信/支付宝扫码注册及付费下载,详阅 用户协议 隐私政策
• 如已在其他页面进行付款,请刷新当前页面重试
• 付费购买成功后,此文档可永久免费下载
年会员
99.0
¥199.0

6亿VIP文档任选,共次下载特权。

已优惠

微信/支付宝扫码完成支付,可开具发票

VIP尽享专属权益

VIP文档免费下载

赠送VIP文档免费下载次数

阅读免打扰

去除文档详情页间广告

专属身份标识

尊贵的VIP专属身份标识

高级客服

一对一高级客服服务

多端互通

电脑端/手机端权益通用

手机号注册 用户名注册
我已阅读并接受《用户协议》《隐私政策》
已有账号?立即登录
我已阅读并接受《用户协议》《隐私政策》
已有账号?立即登录
登录
手机号登录 微信扫码登录
微信扫一扫登录 账号密码登录

首次登录需关注“豆柴文库”公众号

新用户注册
VIP会员(1亿+VIP文档免费下)
年会员
99.0
¥199.0

6亿VIP文档任选,共次下载特权。

已优惠

微信/支付宝扫码完成支付,可开具发票

VIP尽享专属权益

VIP文档免费下载

赠送VIP文档免费下载次数

阅读免打扰

去除文档详情页间广告

专属身份标识

尊贵的VIP专属身份标识

高级客服

一对一高级客服服务

多端互通

电脑端/手机端权益通用