您所在位置: 网站首页 / 文档列表 / 机械/模具设计 / 文档详情
机械设计基础大作业 盘形凸轮轮廓设计.doc 立即下载
上传人:yy****24 上传时间:2024-09-09 格式:DOC 页数:5 大小:21KB 金币:16 举报 版权申诉
预览加载中,请您耐心等待几秒...

机械设计基础大作业 盘形凸轮轮廓设计.doc

机械设计基础大作业盘形凸轮轮廓设计.doc

预览

在线预览结束,喜欢就下载吧,查找使用更方便

16 金币

下载文档

如果您无法下载资料,请参考说明:

1、部分资料下载需要金币,请确保您的账户上有足够的金币

2、已购买过的文档,再次下载不重复扣费

3、资料包下载后请先用软件解压,在使用对应软件打开

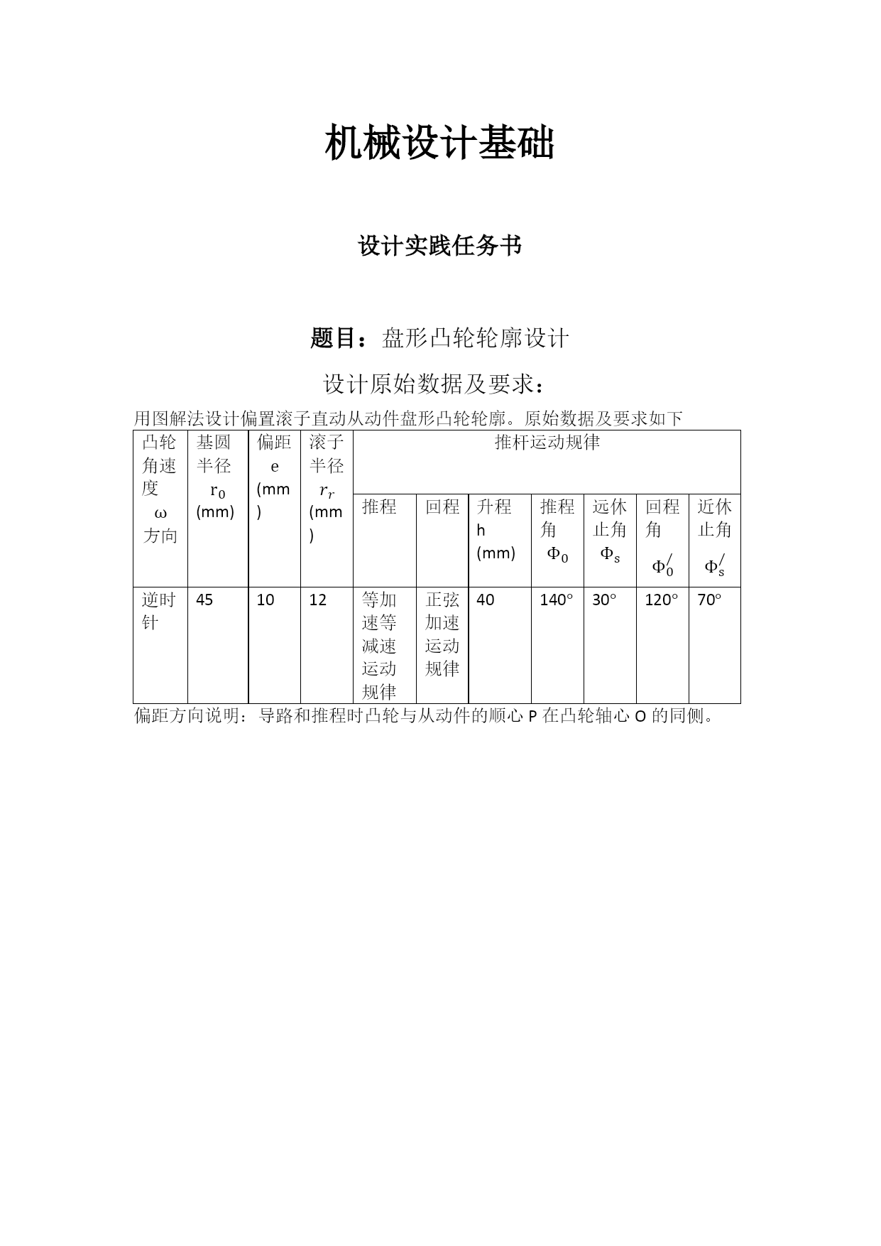
机械设计基础设计实践设计计算说明书题目:盘形凸轮轮廓设计学院:航天学院班号:1018202班学号:1101800224姓名:王宗强日期:2010年9月24日机械设计基础设计实践任务书题目:盘形凸轮轮廓设计设计原始数据及要求:用图解法设计偏置滚子直动从动件盘形凸轮轮廓。原始数据及要求如下凸轮角速度ω方向基圆半径r0(mm)偏距e(mm)滚子半径rr(mm)推杆运动规律推程回程升程h(mm)推程角Φ0远休止角Φs回程角Φ0/近休止角Φs/逆时针451012等加速等减速运动规律正弦加速运动规律40140°30°120°70°偏距方向说明:导路和推程时凸轮与从动件的顺心P在凸轮轴心O的同侧。目录取比例尺并作基圆作反转运动,量取Φ0、Φs、Φ0'、Φs'等分Φ0、Φs计算推杆的预期位移确定理论轮廓线上的点绘制理论轮廓线绘制实际轮廓线取比例尺并作基圆取比例尺μL=1。以r0=45mm为半径作基圆,以e=10mm为半径作偏距圆。如图所示作反转运动。在基圆上由起始点位置1出发,沿-ω(顺时针)回转方向依次量取ϕ0=140°、ϕs=30°、ϕ0'=120°、ϕs'=70°,并将推程运动角ϕ0=140°分成7等份,回程运动角ϕ0'=120°分成6等份。在基圆上各等分点作偏距圆的切线,这些放射线即为在反转运动中导路所占据的一系列位置。偏距方向确定:导路和推程时凸轮与从动件的顺心P在凸轮轴心O的同侧,可以确定偏距圆在导路的左侧。计算退杆的预期位移=1\*GB3①等加速推程时,有s=2h(φϕ0)2=80φ140°2φ=0~70°等减速推程时,有s=h-2hϕ0-φ2ϕ02=40-80140-φ2140°2φ=70~120°计算结果如下表φ/(°)020406080100120140s/mm01.636.5314.6925.3133.4738.3740=2\*GB3②正弦加速度规律回程时s=h-h[φϕ0-12πsin(2πφϕ0)]=40-40[φ120°-12πsin(2πφ120°)]φ=0~120°计算结果如下表φ/(°)020406080100120s/mm4038.8432.18207.821.150确定理论轮廓线上的点过推杆反转运动中各轴线与基圆的交点作偏距圆的切线,并沿切线方向由基圆开始量取推杆的相应位移,由此而得出推杆尖顶在反转运动中的一系列位置。将得到的各个点用光滑的曲线连接起来,即为所求的理论轮廓线。绘制实际轮廓线以得到的理论轮廓线上一系列点为圆心,以滚子半径rr=10mm为半径画一系列小圆,最后做出这些小圆的内包络线,便是滚子推杆外凸轮的实际廓线。参考文献[1]宋宝玉,王瑜,张峰主编.机械设计基础(第4版).哈尔滨:哈尔滨工业大学出版社,2010.
单篇购买
VIP会员(1亿+VIP文档免费下)

扫码即表示接受《下载须知》

机械设计基础大作业 盘形凸轮轮廓设计

文档大小:21KB

限时特价:扫码查看

• 请登录后再进行扫码购买
• 使用微信/支付宝扫码注册及付费下载,详阅 用户协议 隐私政策
• 如已在其他页面进行付款,请刷新当前页面重试
• 付费购买成功后,此文档可永久免费下载
年会员
99.0
¥199.0

6亿VIP文档任选,共次下载特权。

已优惠

微信/支付宝扫码完成支付,可开具发票

VIP尽享专属权益

VIP文档免费下载

赠送VIP文档免费下载次数

阅读免打扰

去除文档详情页间广告

专属身份标识

尊贵的VIP专属身份标识

高级客服

一对一高级客服服务

多端互通

电脑端/手机端权益通用

手机号注册 用户名注册
我已阅读并接受《用户协议》《隐私政策》
已有账号?立即登录
我已阅读并接受《用户协议》《隐私政策》
已有账号?立即登录
登录
手机号登录 微信扫码登录
微信扫一扫登录 账号密码登录

首次登录需关注“豆柴文库”公众号

新用户注册
VIP会员(1亿+VIP文档免费下)
年会员
99.0
¥199.0

6亿VIP文档任选,共次下载特权。

已优惠

微信/支付宝扫码完成支付,可开具发票

VIP尽享专属权益

VIP文档免费下载

赠送VIP文档免费下载次数

阅读免打扰

去除文档详情页间广告

专属身份标识

尊贵的VIP专属身份标识

高级客服

一对一高级客服服务

多端互通

电脑端/手机端权益通用