您所在位置: 网站首页 / 文档列表 / 国内外标准规范 / 文档详情
压力管道制造安装许可质量保证体系评审表.pdf 立即下载
上传人:文库****品店 上传时间:2024-09-07 格式:PDF 页数:33 大小:3.5MB 金币:10 举报 版权申诉
预览加载中,请您耐心等待几秒...

压力管道制造安装许可质量保证体系评审表.pdf

压力管道制造安装许可质量保证体系评审表.pdf

预览

免费试读已结束,剩余 23 页请下载文档后查看

10 金币

下载文档

如果您无法下载资料,请参考说明:

1、部分资料下载需要金币,请确保您的账户上有足够的金币

2、已购买过的文档,再次下载不重复扣费

3、资料包下载后请先用软件解压,在使用对应软件打开

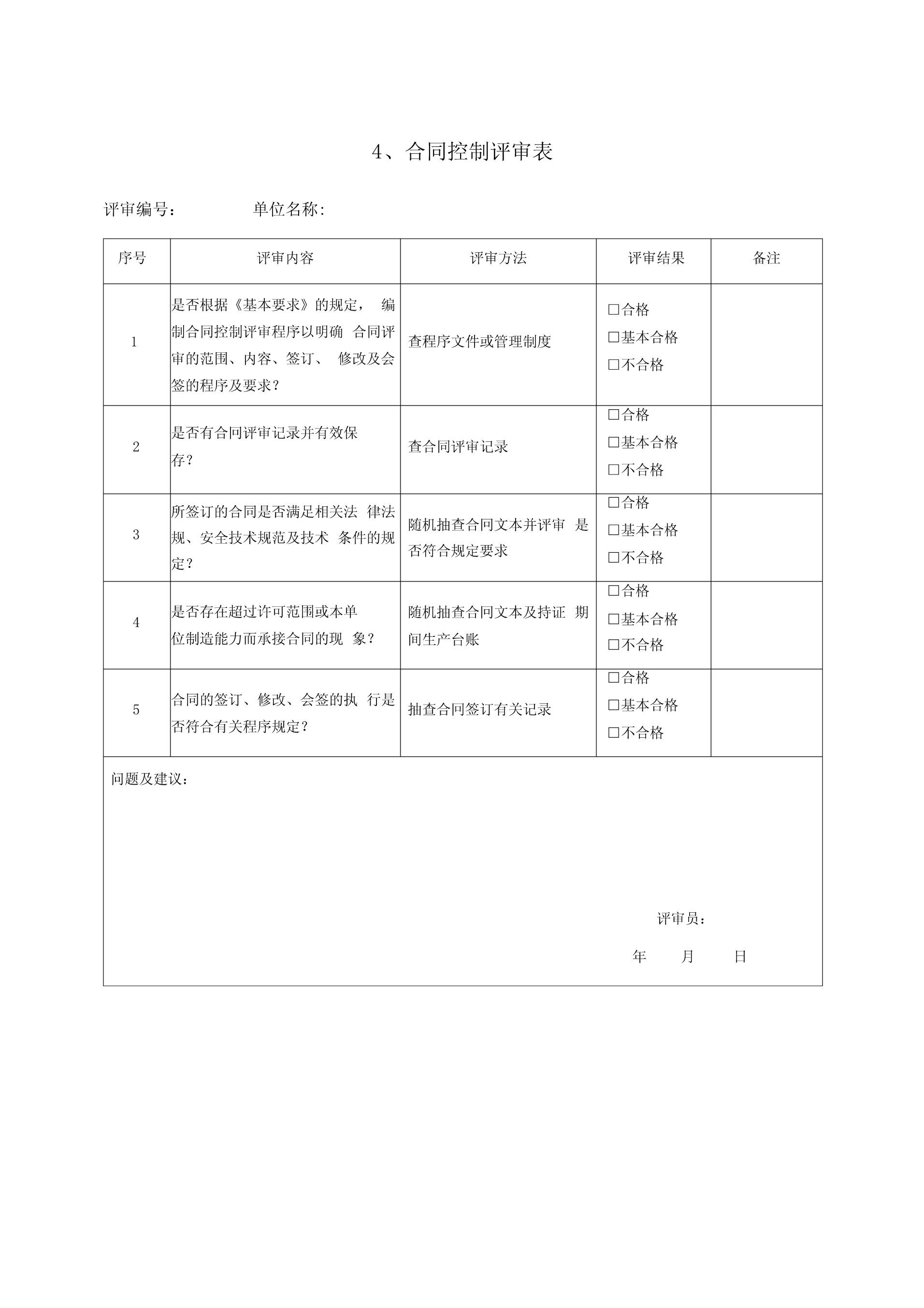
1、管理职责评审表评审编号:单位名称:序号评审项目评审方法评审结论备注□合格是否制订质量方针、质量目标并经法定1代表人(或其授权的代理人)批准颁审阅质量手册□基本合格布?□不合格□合格查质量目标的制订说明或组质量方针是否符合本单位头际要求并体□基本合格2织对内部员工关于质量方针现出确保特种设备安全性能的要求?的解释。□不合格□合格质量目标是否量化并分解落实到各质量3查质量目标分解规疋。□基本合格控制系统?□不合格□合格查质量目标的考核情况。换质量目标量化、分解、定期考核记□基本合格4证时查扌寸证期间的质量目录是否符合规定要求□不合格标的考核记录。□合格5质量保证体系组织机构是否建立?审阅质量手册□基本合格□不合格□合格质量保证体系的组织机构(责任部门)6审阅质量手册□基本合格职能是否予明确规定?□不合格□合格是否明确规定法人代表对特种设备安全7审阅质量手册及相关文件□基本合格质量负责?□不合格□合格是否在管理层中任命质量保证工程师并查质保师任命文件及职责8□基本合格规定明确其职责?□不合格是否按本单位具体情况及相关安全□合格查各责任人的任命文件并评技术规范规定设立必要的质量控制□基本合格9审是否符合相关技术规范或系统责任人?□不合格制造/安装需要?□合格质量保证体系的各责任人员职责是10查人员职责规定,□基本合格否予以明确?□不合格对于安装维修单位,是否根据项目部安□合格装特点,明确建立项目部质量保证体查质量手册中质量体系设置11□基本合格系、设立相关责任人的规定?情况□不合格□合格是否明确规定了与产品(设备)安全质□基本合格12量性能相关的人员(如检验试验人员)查各级人员的岗位职责□不合格的职责权限?各质量控制系统、质保工程师及系统责□合格13任人员之间的工作接口及协调措施是否查质量手册□基本合格明确规定?□不合格□合格通过各控制系统的质量记录□基本合格14各责任人是否按规定履行职责?抽查情况评审责任人的到岗□不合格尽职情况是否规定了定期(每年至少一次)进行□合格管理评审的规定?管理评审的要求、内15查管理评审文件规定□基本合格容、程序及相关记录要求是否明确规□不合格定?□合格是否按管理评审的要求实施管理评审?换证时,抽查管理评审记16□基本合格录。评审记录是否符合规定要求?□不合格问题及建议评审员:年月日2、质量保证体系文件评审表评审编号:单位名称:序号评审内容评审方法评审结果备注查质量管理体系文件,质量□合格质量保证要求是否文件化?质量保证体手册、程序文件、相应的作□基本合格1系文件层次、结构是否规范、系统、齐业指导文件或表式表卡是否□不合格全?齐全,层次分明?质量手册的适用范围是否履盖所申□合格2请许可产品?是否描述出质量保证查质量手册□基本合格体系组织机构及管理职责?□不合格□合格质量手册的基本要素的设立、质量控制□基本合格3系统、环节及控制点的规定是否符合相查质量手册□不合格关技术规范要求?□合格质量手册中术语及缩写、质量方针及质4查质量手册□基本合格量目标等明否明确说明或描述?□不合格是否根据本单位产品或设备的质量安全□合格性能特点,根据质量要素的要求,编制5审阅质量手册及相关文件□基本合格程序文件(或管理制度)或相关的管理□不合格制度?□合格有关程序文件(或管理制度)或管理制□基本合格6度是否明确责任部门、人员、控制程序审阅质量手册及相关文件□不合格及要求,具备可操作性?□合格是否根据本单位员工技能水平编制必要7审阅作业指导书□基本合格的作业指导书?□不合格□合格是否根据质量保证体系运行的需要编制□基本合格8质量运行表式?表式项目、内容应当规查相关记录表式范标准。□不合格□合格是否规定根据产品(设备)的特点编制□基本合格9质量计划或工程施工方案(施工组织设查程序文件计)□不合格质量计划(或施工组织设计、施工方案)中对产品(项目)质量目标、责任□合格部门和责任人员、资源、实现过程控制提查产品质量计划或丄程施10□基本合格程序(工序工艺、检验试验等控制环工方案(施工组织设计等)□不合格节、控制点)的规定内容是否满足质量保证要求?问题及建议:评审员:年月日3、文件与记录的控制评审表评审编号:单位名称:序号评审内容评审方法评审结果备注□合格是否编制文
单篇购买
VIP会员(1亿+VIP文档免费下)

扫码即表示接受《下载须知》

压力管道制造安装许可质量保证体系评审表

文档大小:3.5MB

限时特价:扫码查看

• 请登录后再进行扫码购买
• 使用微信/支付宝扫码注册及付费下载,详阅 用户协议 隐私政策
• 如已在其他页面进行付款,请刷新当前页面重试
• 付费购买成功后,此文档可永久免费下载
年会员
99.0
¥199.0

6亿VIP文档任选,共次下载特权。

已优惠

微信/支付宝扫码完成支付,可开具发票

VIP尽享专属权益

VIP文档免费下载

赠送VIP文档免费下载次数

阅读免打扰

去除文档详情页间广告

专属身份标识

尊贵的VIP专属身份标识

高级客服

一对一高级客服服务

多端互通

电脑端/手机端权益通用

手机号注册 用户名注册
我已阅读并接受《用户协议》《隐私政策》
已有账号?立即登录
我已阅读并接受《用户协议》《隐私政策》
已有账号?立即登录
登录
手机号登录 微信扫码登录
微信扫一扫登录 账号密码登录

首次登录需关注“豆柴文库”公众号

新用户注册
VIP会员(1亿+VIP文档免费下)
年会员
99.0
¥199.0

6亿VIP文档任选,共次下载特权。

已优惠

微信/支付宝扫码完成支付,可开具发票

VIP尽享专属权益

VIP文档免费下载

赠送VIP文档免费下载次数

阅读免打扰

去除文档详情页间广告

专属身份标识

尊贵的VIP专属身份标识

高级客服

一对一高级客服服务

多端互通

电脑端/手机端权益通用