您所在位置: 网站首页 / 文档列表 / 公共安全/安全评价 / 文档详情
车间安全环保考核表.doc 立即下载
上传人:天马****23 上传时间:2024-09-06 格式:DOC 页数:20 大小:320KB 金币:10 举报 版权申诉
预览加载中,请您耐心等待几秒...

车间安全环保考核表.doc

车间安全环保考核表.doc

预览

免费试读已结束,剩余 10 页请下载文档后查看

10 金币

下载文档

如果您无法下载资料,请参考说明:

1、部分资料下载需要金币,请确保您的账户上有足够的金币

2、已购买过的文档,再次下载不重复扣费

3、资料包下载后请先用软件解压,在使用对应软件打开

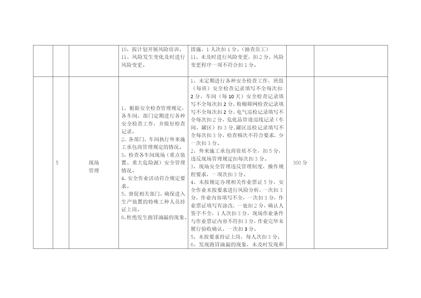
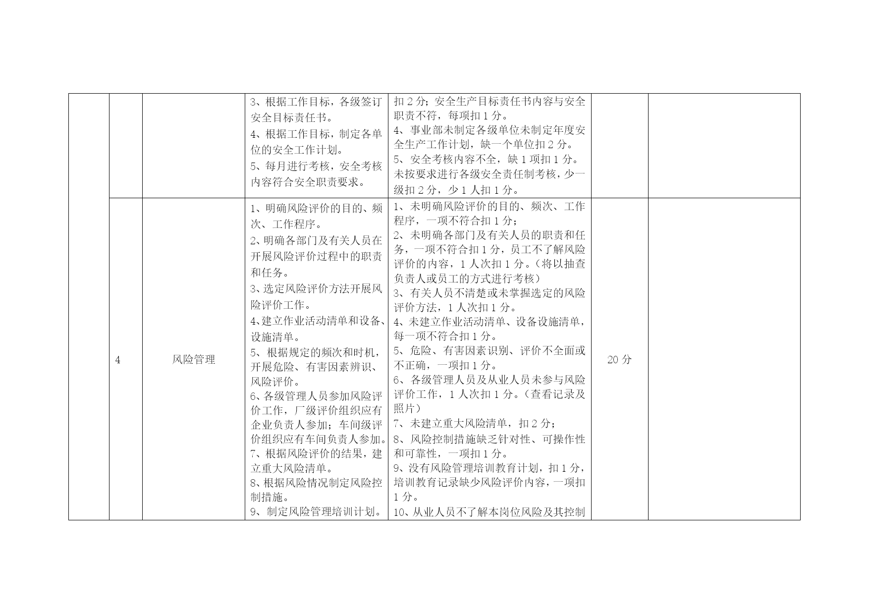
车间安全环保考核表优质资料(可以直接使用,可编辑优质资料,欢迎下载)年月份车间安全环保考核表为加强安全生产管理,贯彻落实“安全第一,预防为主,综合治理”的安全生产方针,确保完成公司年的安全、职业卫生、消防、环保工作目标,特制定对事业部考核方案如下:考核分类序号考核项目考核内容考核标准基本分备注安全1安全控制指标1、无从业人员(含承包商)死亡事故,重大环保污染事故,职业中毒事故。2、直接经济损失在10万元以上的生产安全事故。按签订的安全目标责任书考核,年终累计突破第1、2项安全控制指标的,取消全年考核资格。实行年终一票否决。2事故管理1、直接经济损失在2万元以上的生产安全事故或工伤事故;2、较大环保污染事故,包括严重的跑冒滴漏现象。1、发生直接经济损失在2万元以上的生产安全事故或生产过程中出现一起工伤事故,取消当月考核资格。2、发生较大环保污染事故(造成实际后果的),包括严重的跑冒滴漏现象。取消当月考核资格。实行当月一票否决。3安全生产责任制根据公司安全工作目标,分解事业部安全工作目标。组织各级人员学习目标内容。根据工作目标,各级签订安全目标责任书。根据工作目标,制定各单位的安全工作计划。5、每月进行考核,安全考核内容符合安全职责要求。未根据公司安全工作目标分解事业部各级安全工作目标,少一级扣2分。未对员工进行目标内容学习,无培训学习记录扣2分;少1人扣1分。每缺一个单位的安全生产目标责任书,扣2分;安全生产目标责任书内容与安全职责不符,每项扣1分。事业部未制定各级单位未制定年度安全生产工作计划,缺一个单位扣2分。安全考核内容不全,缺1项扣1分。未按要求进行各级安全责任制考核,少一级扣2分,少1人扣1分。20分4风险管理明确风险评价的目的、频次、工作程序。明确各部门及有关人员在开展风险评价过程中的职责和任务。选定风险评价方法开展风险评价工作。建立作业活动清单和设备、设施清单。5、根据规定的频次和时机,开展危险、有害因素辨识、风险评价。6、各级管理人员参加风险评价工作,厂级评价组织应有企业负责人参加;车间级评价组织应有车间负责人参加。7、根据风险评价的结果,建立重大风险清单。8、根据风险情况制定风险控制措施。9、制定风险管理培训计划。10、按计划开展风险培训。11、风险发生变化及时进行风险变更。未明确风险评价的目的、频次、工作程序,一项不符合扣1分;未明确各部门及有关人员的职责和任务,一项不符合扣1分,员工不了解风险评价的内容,1人次扣1分。(将以抽查负责人或员工的方式进行考核)有关人员不清楚或未掌握选定的风险评价方法,1人次扣1分。未建立作业活动清单、设备设施清单,每一项不符合扣1分。危险、有害因素识别、评价不全面或不正确,一项扣1分。6、各级管理人员及从业人员未参与风险评价工作,1人次扣1分。(查看记录及照片)7、未建立重大风险清单,扣2分;8、风险控制措施缺乏针对性、可操作性和可靠性,一项扣1分。9、没有风险管理培训教育计划,扣1分,培训教育记录缺少风险评价内容,一项扣1分。10、从业人员不了解本岗位风险及其控制措施,1人次扣1分。(抽查员工)11、未及时进行风险变更,扣2分,风险变更程序一项不符合扣1分。20分5现场管理1、根据安全检查管理规定,各车间、部门定期进行各种安全检查工作,并做好检查记录。2、各部门、车间执行外来施工承包商管理规定的情况。3、检查各车间现场(重点装置、重大危险源)安全管理情况。4、安全作业活动符合规定要求。5、督促相关部门,确保进入生产装置的特殊工种人员持证上岗。6、杜绝发生跑冒滴漏的现象。1、未定期进行各种安全检查工作,班组(每班)安全检查记录填写不全每次扣2分,车间(每10天)安全检查记录填写不全每次扣2分,粉棉筛网检查记录填写不全每次扣2分,电气巡检记录填写不全每次扣2分,危化品管道巡线记录(车间、罐区)扣3分,罐区巡检记录填写不全每次扣3分,检查频次不符合要求,少一次扣3分。2、外来施工承包商资质不全,扣5分,违反现场管理规定扣每次扣3分。3、现场安全管理违反管理制度、操作规程要求,一项次扣3分。4、未按规定办理相关作业票证5分,安全作业未按要求进行风险分析,一次扣3分,作业内容填写不全,一次扣3分,作业票证填写有涂改,一处扣2分,确认人签字不全,1人次扣3分,现场作业条件与作业票证内容不符扣3分,作业完毕未履行验收确认,一次扣3分。5、未按要求持证上岗,每人次扣3分。6、发现跑冒滴漏的现象,未及时发现和处理,一项次扣3分。7、缺少或损坏跨接线(片)、接地线每处扣2分。8、定置管理不到位每处扣3分。9、常开阀门关闭每处扣5分。10、现场标识缺失每处扣2分。1
单篇购买
VIP会员(1亿+VIP文档免费下)

扫码即表示接受《下载须知》

车间安全环保考核表

文档大小:320KB

限时特价:扫码查看

• 请登录后再进行扫码购买
• 使用微信/支付宝扫码注册及付费下载,详阅 用户协议 隐私政策
• 如已在其他页面进行付款,请刷新当前页面重试
• 付费购买成功后,此文档可永久免费下载
年会员
99.0
¥199.0

6亿VIP文档任选,共次下载特权。

已优惠

微信/支付宝扫码完成支付,可开具发票

VIP尽享专属权益

VIP文档免费下载

赠送VIP文档免费下载次数

阅读免打扰

去除文档详情页间广告

专属身份标识

尊贵的VIP专属身份标识

高级客服

一对一高级客服服务

多端互通

电脑端/手机端权益通用

手机号注册 用户名注册
我已阅读并接受《用户协议》《隐私政策》
已有账号?立即登录
我已阅读并接受《用户协议》《隐私政策》
已有账号?立即登录
登录
手机号登录 微信扫码登录
微信扫一扫登录 账号密码登录

首次登录需关注“豆柴文库”公众号

新用户注册
VIP会员(1亿+VIP文档免费下)
年会员
99.0
¥199.0

6亿VIP文档任选,共次下载特权。

已优惠

微信/支付宝扫码完成支付,可开具发票

VIP尽享专属权益

VIP文档免费下载

赠送VIP文档免费下载次数

阅读免打扰

去除文档详情页间广告

专属身份标识

尊贵的VIP专属身份标识

高级客服

一对一高级客服服务

多端互通

电脑端/手机端权益通用