您所在位置: 网站首页 / 文档列表 / 给排水/暖通与智能化 / 文档详情
某教学楼建筑给水排水课程设计设计说明书建水课程设计.doc 立即下载
上传人:天马****23 上传时间:2024-09-08 格式:DOC 页数:10 大小:1.9MB 金币:10 举报 版权申诉
预览加载中,请您耐心等待几秒...

某教学楼建筑给水排水课程设计设计说明书建水课程设计.doc

某教学楼建筑给水排水课程设计设计说明书建水课程设计.doc

预览

在线预览结束,喜欢就下载吧,查找使用更方便

10 金币

下载文档

如果您无法下载资料,请参考说明:

1、部分资料下载需要金币,请确保您的账户上有足够的金币

2、已购买过的文档,再次下载不重复扣费

3、资料包下载后请先用软件解压,在使用对应软件打开

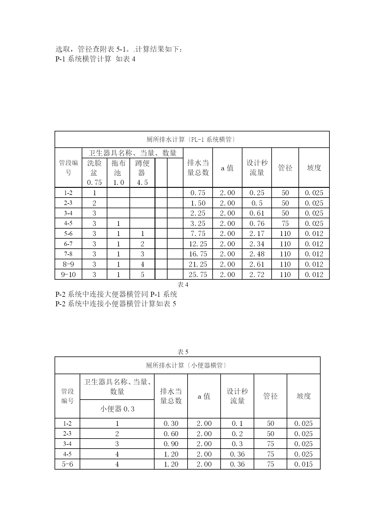
某教学楼建筑给水排水课程设计设计说明书建水课程设计【完整版】(文档可以直接使用,也可根据实际需要修订后使用,可编辑放心下载)设计说明工程概况本工程为河北农业大学科技中心,位于农大西校区。总建筑面积:14100.82m本工程建筑等级Ⅱ级,耐火等级:Ⅱ级,本工程抗震按7度设防设计内容生活给水、生活排水。设计依据1.?建筑给水排水设计标准?GBJ15-88。2.?建筑给水排水设计手册?3.?给水排水制图标准?GB/T50106-20014.?建筑排水硬聚氯乙烯管道工程技术规程?CJJ/T29-985.?建筑设备专业设计技术措施?6.?05s1系列建筑标准设计图集?DBJT02-22-987.甲方要求8.建筑学专业提供的平面、立面和剖面图四.系统划分1.给水系统:生活给水利用外网压力直接供水。2.排水系统五.管材1.生活冷水管道采用PP-R管,热熔连接。2.排水管采用U-PVC管〔防酸〕,六.防腐及保温1.吊顶内的给排水管道采用聚苯乙烯泡沫塑料制品保温,保温厚度:20mm,七.给水配件的选择1.实验室水龙头采用化验水龙头。2.蹲便器选用脚踏冲洗阀3.小便器采用自闭式冲洗阀。4.洗脸盆选用双炳4'龙头背挂式。八.设计参数1.单位用水定额:45L/人d,最高日生活用水量:11.25吨/日最高小时生活用水量:3.2吨/小时,小时变化系数2.3,九.其它说明1.本设计标高以米计,其余以毫米计。3.排水立管与排水出户管连接处采用两个45度弯头相连接,以利排水。4.地漏篦子比相应地面低10mm。5.给水系统试验压力0.6MPa,详见?建筑给水排水及采暖工程施工质量验收标准?〔GB50242-2002〕的规定。6.隐藏或埋地的排水管应做闭水试验,其灌水高度不低于底层地面高度,满水15分钟液面下降后,再灌满延续5分钟,液面不下降为合格。7.所有三通均采用90度顺水斜三通。8.排水管凡遇90°弯均采用2×45°自带清扫口的弯头连接。9.排水支管大于2米增设伸缩节。10.管道穿越外墙处设防水套管,管径比相应的管道直径大两号。11.卫生器具规格及型号:实验室化验盆安装图见05S1-80页。公共卫生间洗脸盆安装图见05S1-30页。拖布池安装图见05S1-1页,乙型。蹲便器安装图见05S1-134页。小便器安装图见05S1-167页。通气帽高出相应女儿墙300mm12.未尽事项见?建筑给水排水及采暖工程施工质量验收标准?〔GB50242-2002〕计算设计说明一给水系统设计1压力估算本建筑为五层,估算供水所需压力为0.24MPa,室外市政管网水压为0.32MPa,初步确定供水方式为直接给水方式。2本建筑为校内科技中心卫生器具选型如下:蹲便器选用脚踏冲洗阀小便器选用自闭式冲洗阀洗脸盆选用双炳4’龙头实验室水龙头采用化验水龙头3水力计算厕所给水水力计算附图1平面布置图如附图1。最不利管线为由女厕所五层末端至入口处,进行管段编号,见附图2附图2查表得:洗脸盆N=0.75,拖布池N=2.0,自闭式冲洗大便器N=6.0,自闭式冲洗小便器N=0.5,冲洗水箱座便器N=0.5。从1-2管段开始,根据qg=0.2a√Ng,a=1.8,计算设计秒流量。根据流速控制在一定范围内,查附表2-3,可得管径和单位长度沿程水头损失i,由式hi=il计算出管路的沿程水头损失∑h.各项结果列于附表1厕所给水最不利管路〔平方根法〕计算管段编号卫生器具名称及个数当量总数设计秒流量l/s管径mm流速m单阻kp/m管长m沿程水头损失kp洗脸盆当量:0.75拖布池当量:1.5蹲便器当量:0.6小便器当量:0.51-210.750.15150.750.5640.140.082-310.750.15150.750.5640.700.393-421.500.30200.390.1230.700.094-532.250.45250.690.2330.720.175-6313.750.70320.690.1810.610.116-7313.750.70320.690.1811.000.187-8313.750.70320.690.1810.350.068-93114.251.94401.160.3430.900.319-103124.751.98401.200.3610.900.3210-113135.252.02401.200.3610.900.3211-123145.752.06500.780.1190.860.1012-133156.252.10500.800.1190.470.0613-143156.252.10500.800.1193.9
单篇购买
VIP会员(1亿+VIP文档免费下)

扫码即表示接受《下载须知》

某教学楼建筑给水排水课程设计设计说明书建水课程设计

文档大小:1.9MB

限时特价:扫码查看

• 请登录后再进行扫码购买
• 使用微信/支付宝扫码注册及付费下载,详阅 用户协议 隐私政策
• 如已在其他页面进行付款,请刷新当前页面重试
• 付费购买成功后,此文档可永久免费下载
年会员
99.0
¥199.0

6亿VIP文档任选,共次下载特权。

已优惠

微信/支付宝扫码完成支付,可开具发票

VIP尽享专属权益

VIP文档免费下载

赠送VIP文档免费下载次数

阅读免打扰

去除文档详情页间广告

专属身份标识

尊贵的VIP专属身份标识

高级客服

一对一高级客服服务

多端互通

电脑端/手机端权益通用

手机号注册 用户名注册
我已阅读并接受《用户协议》《隐私政策》
已有账号?立即登录
我已阅读并接受《用户协议》《隐私政策》
已有账号?立即登录
登录
手机号登录 微信扫码登录
微信扫一扫登录 账号密码登录

首次登录需关注“豆柴文库”公众号

新用户注册
VIP会员(1亿+VIP文档免费下)
年会员
99.0
¥199.0

6亿VIP文档任选,共次下载特权。

已优惠

微信/支付宝扫码完成支付,可开具发票

VIP尽享专属权益

VIP文档免费下载

赠送VIP文档免费下载次数

阅读免打扰

去除文档详情页间广告

专属身份标识

尊贵的VIP专属身份标识

高级客服

一对一高级客服服务

多端互通

电脑端/手机端权益通用