您所在位置: 网站首页 / 文档列表 / 机械/模具设计 / 文档详情
机械设计一级减速器课程设计.doc 立即下载
上传人:王子****青蛙 上传时间:2024-09-09 格式:DOC 页数:27 大小:2.9MB 金币:6 举报 版权申诉
预览加载中,请您耐心等待几秒...

机械设计一级减速器课程设计.doc

机械设计一级减速器课程设计.doc

预览

免费试读已结束,剩余 17 页请下载文档后查看

6 金币

下载文档

如果您无法下载资料,请参考说明:

1、部分资料下载需要金币,请确保您的账户上有足够的金币

2、已购买过的文档,再次下载不重复扣费

3、资料包下载后请先用软件解压,在使用对应软件打开

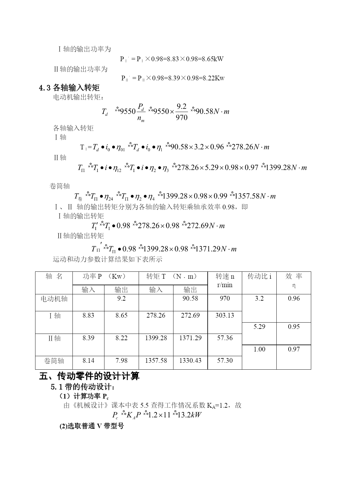
计算过程及计算说明一、传动方案的拟定(1)工作条件:a)使用寿命:使用折旧期8年,大修期4年,中修期2年,小修期半年;b)工作环境:室内,灰尘较大,环境最高温度35℃;c)动力来源:三相交流电,电压380/220V;d)使用工况:两班制,连续单向运转,载荷较平稳;e)制造条件:一般机械厂制造,小(大)批量生产。(2)原始数据:运输带工作拉力,运输带工作速度V=1.2m/s(允许带速误差±5%),滚筒直径。滚筒效率(包括滚筒与轴承的效率损失)。方案拟定:采用V带传动与斜齿轮传动的组合,即可满足传动比要求,同时由于带传动具有良好的缓冲,吸震性能,适应大起动转矩工况要求,结构简单,成本低,使用维护方便。二、电动机的选择2.1电动机类型的选择按工作要求和条件,选用三相笼型异步电动机,封闭式结构,电压380V,Y型。2.2选择电动机的容量由式Pd=和得由电动机至运输带的总效率为式中:、、、、分别为带传动、轴承传动、齿轮传动、联轴器和卷筒的传动效率取=0.96,=0.98(滚子轴承),=0.97(齿轮精度8级,不包括轴承效率),=0.99(齿轮联轴器),则所以2.3确定电动机转速卷筒轴工作转速为由指导书表1推荐的传动比合理范围,取V带传动的传动比为=2∽4,一级斜齿轮减速器传动比=3∽6,则总传动比合理范围为∽24,故电动机转速的可选范围为∽24×57.32=343.92∽1375.68r/min符合这一范围的同步转速有750r/min、1000r/min综合考虑容量和转速,有设计手册查出有2种适用的电动机,因此有2种传动方案,如下图所示:方案电动机型号额定功率kW电动机转速r/min电动机质量Kg同步转速满载转速1Y160M-411150014601232Y160L-6111000970147综合考虑电动机和传动装置的尺寸、重量、价格和带传动、减速器的传动比,可见方案2比较适合,则选n=1000r/min。2.4确定电动机的型号根据以上选用电动机类型,所需的额定功率及同步转速,选定电动机型号为Y160L-6。其主要性能:额定功率:11kW,满载转速970r/min。三、计算总传动比及分配各级的传动比(1)总传动比:(2)分配传动比:式中,、分别为带传动和减速器的传动比。为使V带传动外廓尺寸不致过大,初步取=3.2(V带传动取2∽4比较合理)则减速器的传动比为:四、计算传动装置的运动参数和动力参数4.1各轴转速Ⅰ轴r/minⅡ轴卷筒轴4.2各轴输入功率Ⅰ轴PⅠ=Ⅱ轴PⅡ=PⅠPⅠ卷筒轴P卷=PⅡPⅡⅠ、Ⅱ轴的输出功率则分别为输入功率乘轴承效率0.98,即Ⅰ轴的输出功率为PⅠ′=PⅠ×0.98=8.83×0.98=8.65kWⅡ轴的输出功率为PⅡ′=PⅡ×0.98=8.39×0.98=8.22Kw4.3各轴输入转矩电动机输出转矩:各轴输入转矩Ⅰ轴TⅠ=Ⅱ轴卷筒轴Ⅰ、Ⅱ轴的输出转矩分别为各轴的输入转矩乘轴承效率0.98,即Ⅰ轴的输出转矩Ⅱ轴的输出转矩运动和动力参数计算结果如下表所示轴名功率P(Kw)转矩T(N﹒m)转速nr/min传动比i效率η输入输出输入输出电动机轴9.290.589703.20.96Ⅰ轴8.838.65278.26272.69303.135.290.95Ⅱ轴8.398.221399.281371.2957.361.000.97卷筒轴8.147.981357.581330.4357.30五、传动零件的设计计算5.1带的传动设计:(1)计算功率Pc由《机械设计》课本中表5.5查得工作情况系数KA=1.2,故(2)选取普通V带型号根据,由《机械设计》图5.14确定选用B型。(3)确定带轮基准直径D1和D2由《机械设计》表5.6取D1=140mm,ε=1%,得由表5.6取。大带轮转速其误差为1.4%<,故允许。(4)验算带速v在5~25m/s范围内,带速合适。(5)确定带长和中心距a初步选取中心距mm,取故由《机械设计》表5.2选用基准长度L=2800mm。实际中心距(6)验算小带轮包角α1>120。合适(7)确定V带根数Z传动比由《机械设计》表5.3查得,由表5.4查得由表5.7查得,由表5.2查得V带根数取Z=5根。(8)求作用在带轮轴上的压力FQ由《机械设计》表5.1查得q=0.17kg/m单根V带的张紧力作用在带轮轴上的压力为5.2齿轮传动的设计计算选定齿轮材料及精度等级及齿数(a)机器为一般机械厂制造,速度不高,故选用7级精度。(b)由于结构要求
单篇购买
VIP会员(1亿+VIP文档免费下)

扫码即表示接受《下载须知》

机械设计一级减速器课程设计

文档大小:2.9MB

限时特价:扫码查看

• 请登录后再进行扫码购买
• 使用微信/支付宝扫码注册及付费下载,详阅 用户协议 隐私政策
• 如已在其他页面进行付款,请刷新当前页面重试
• 付费购买成功后,此文档可永久免费下载
年会员
99.0
¥199.0

6亿VIP文档任选,共次下载特权。

已优惠

微信/支付宝扫码完成支付,可开具发票

VIP尽享专属权益

VIP文档免费下载

赠送VIP文档免费下载次数

阅读免打扰

去除文档详情页间广告

专属身份标识

尊贵的VIP专属身份标识

高级客服

一对一高级客服服务

多端互通

电脑端/手机端权益通用

手机号注册 用户名注册
我已阅读并接受《用户协议》《隐私政策》
已有账号?立即登录
我已阅读并接受《用户协议》《隐私政策》
已有账号?立即登录
登录
手机号登录 微信扫码登录
微信扫一扫登录 账号密码登录

首次登录需关注“豆柴文库”公众号

新用户注册
VIP会员(1亿+VIP文档免费下)
年会员
99.0
¥199.0

6亿VIP文档任选,共次下载特权。

已优惠

微信/支付宝扫码完成支付,可开具发票

VIP尽享专属权益

VIP文档免费下载

赠送VIP文档免费下载次数

阅读免打扰

去除文档详情页间广告

专属身份标识

尊贵的VIP专属身份标识

高级客服

一对一高级客服服务

多端互通

电脑端/手机端权益通用