您所在位置: 网站首页 / 文档列表 / 电子设计 / 文档详情
基于FPGA的交通灯控制器设计5(完整资料).doc 立即下载
上传人:天马****23 上传时间:2024-09-08 格式:DOC 页数:91 大小:10MB 金币:10 举报 版权申诉
预览加载中,请您耐心等待几秒...

基于FPGA的交通灯控制器设计5(完整资料).doc

基于FPGA的交通灯控制器设计5(完整资料).doc

预览

免费试读已结束,剩余 81 页请下载文档后查看

10 金币

下载文档

如果您无法下载资料,请参考说明:

1、部分资料下载需要金币,请确保您的账户上有足够的金币

2、已购买过的文档,再次下载不重复扣费

3、资料包下载后请先用软件解压,在使用对应软件打开

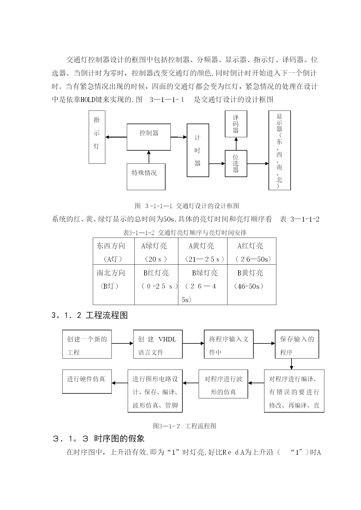
基于FPGA的交通灯控制器设计5(完整资料)(可以直接使用,可编辑优秀版资料,欢迎下载)引言随着城乡的经济发展,车辆的数量在迅速的增加,交通阻塞的问题已经严重影响了人们的出行.现在的社会是一个数字化程度相当高的社会,很多的系统设计师都愿意把自己的设计设计成集成电路芯片,芯片可以在实际中方便使用。随着EDA技术的发展,嵌入式通用及标准FPGA器件的呼之欲出,片上系统(SOC)已经近在咫尺。FPGA/CPLD以其不可替代的地位及伴随而来的极具知识经济特征的IP芯片产业的崛起,正越来越受到业内人士的密切关注。FPGA就是在这样的背景下诞生的,它在数字电路中的地位也越来越高,这样迅速的发展源于它的众多特点.交通等是保障交通道路畅通和安全的重要工具,而控制器是交通灯控制的主要部分,它可以通过很多种方式来实现.在这许许多多的方法之中,使用FPGA和VHDL语言设计的交通灯控制器,比起其他的方法显得更加灵活、易于改动,并且它的设计周期性更加短。城市中的交通事故频繁发生,威胁着人们的生命健康和工作生活,交通阻塞问题在延迟出行时间的同时,还会造成更多的空气污染和噪声污染.在这种情况下,根据每个道路的实际情况来设置交通灯,使道路更加通畅,这对构建和谐畅通的城市交通有着十分重要的意义.第一章软件介绍1.1QuartusⅡ介绍本次毕业设计是基于FPGA下的设计,FPGA是现场可编程门阵列,FPGA开发工具种类很多、智能化高、功能非常的强大。可编程QuartusⅡ是一个为逻辑器件编程提供编程环境的软件,它能够支持VHDL、VerilogHDL语言的设计。在该软件环境下,设计者可以实现程序的编写、编译、仿真、图形设计、图形的仿真等许许多多的功能。在做交通灯控制器设计时选择的编程语言是VHDL语言。在这里简单的介绍一下QuartusⅡ的基本部分.图1-1-1是一幅启动界面的图片.在设计前需要对软件进行初步的了解,在图中已经明显的标出了每一部分的名称。图1-1—1启动界面开始设计前我们需要新建一个工程,首先要在启动界面上的菜单栏中找到File,单击它选择它下拉菜单中的“NewProjectWizard”时会出现图1-1—2所显示的对话框,把项目名称按照需要填好后单击Next,便会进入图1-1-3显示的界面。图1-1-2创建工程框图1-1—3芯片选择框根据自己选择的实验设备选择好相应的芯片型号点击Next,进入下一个步骤当出现图1-1-5时,点击“Finish"后这个工程就建立好了。图1-1-4仿真器选择框图1-1-5对话框建好工程后开始进行设计,首先在图1-1-6中单击file后选择new,接着会出现图1-1—7,在交通灯控制器的设计中我们选择的是VHDLFile,当出现图1—1-8时就可以把编辑的程序敲入编辑器中.图1-1-6工程建好后的界面图1—1-7新建文件类型选择框图1-1-8程序编辑框在第一章中对QuartusⅡ软件的使用做一个简单介绍,设计中的编译和仿真步骤在后面的几章中会做出介绍。第二章交通灯控制器设计的概述2.1控制器设计描述2.1.1设计任务要求设计交通灯控制器,分别在四个方向都安装红、黄、绿三种颜色的交通指示灯,红灯表示停止,绿灯表示通行,黄灯表示左转和直行将要禁止通行,四个方向分别还安装有倒计时的计时器。2.1.2设计要求东西方向和南北方向各有组指示灯,红灯亮的时间为20S,黄灯亮的时间为5S,绿灯亮的时间为25S。三种灯亮灭的顺序为红灯、绿灯、黄灯。第三章交通灯控制器的设计过程3。1设计方案本设计课题用FPGA来实现智能交通灯的设计,本设计现要研究的问题主要有:智能交通灯的设计方案;各功能模块的设计与实现;如何用VHDL编写源程序以及进行系统仿真。3.1。1框图设计交通灯控制器设计的框图中包括控制器、分频器、显示器、指示灯、译码器、位选器。当倒计时为零时,控制器改变交通灯的颜色,同时倒计时开始进入下一个倒计时。当有紧急情况出现的时候,四面的交通灯都会变为红灯,紧急情况的处理在设计中是依靠HOLD键来实现的.图3—1—1-1是交通灯设计的设计框图特殊情况计时器位选器显示器(东、西、南、北)译码器控制器指示灯图3-1-1—1交通灯设计的设计框图系统的红、黄、绿灯显示的总时间为50s,具体的亮灯时间和亮灯顺序看表3—1-1-2表3-1—1-2交通灯亮灯顺序与亮灯时间安排东西方向(A灯)A绿灯亮(20s)A黄灯亮(21—25s)A红灯亮(26—50s)南北方向(B灯)B红灯亮(0-25s)B绿灯亮(26—45s)B黄灯亮(46-50s)3。1.2工程流程图创建一个新的工程创建VHDL语言文件保存输
单篇购买
VIP会员(1亿+VIP文档免费下)

扫码即表示接受《下载须知》

基于FPGA的交通灯控制器设计5(完整资料)

文档大小:10MB

限时特价:扫码查看

• 请登录后再进行扫码购买
• 使用微信/支付宝扫码注册及付费下载,详阅 用户协议 隐私政策
• 如已在其他页面进行付款,请刷新当前页面重试
• 付费购买成功后,此文档可永久免费下载
年会员
99.0
¥199.0

6亿VIP文档任选,共次下载特权。

已优惠

微信/支付宝扫码完成支付,可开具发票

VIP尽享专属权益

VIP文档免费下载

赠送VIP文档免费下载次数

阅读免打扰

去除文档详情页间广告

专属身份标识

尊贵的VIP专属身份标识

高级客服

一对一高级客服服务

多端互通

电脑端/手机端权益通用

手机号注册 用户名注册
我已阅读并接受《用户协议》《隐私政策》
已有账号?立即登录
我已阅读并接受《用户协议》《隐私政策》
已有账号?立即登录
登录
手机号登录 微信扫码登录
微信扫一扫登录 账号密码登录

首次登录需关注“豆柴文库”公众号

新用户注册
VIP会员(1亿+VIP文档免费下)
年会员
99.0
¥199.0

6亿VIP文档任选,共次下载特权。

已优惠

微信/支付宝扫码完成支付,可开具发票

VIP尽享专属权益

VIP文档免费下载

赠送VIP文档免费下载次数

阅读免打扰

去除文档详情页间广告

专属身份标识

尊贵的VIP专属身份标识

高级客服

一对一高级客服服务

多端互通

电脑端/手机端权益通用