您所在位置: 网站首页 / 文档列表 / 环保行业 / 文档详情
施工现场环保检查表.doc 立即下载
上传人:天马****23 上传时间:2024-09-08 格式:DOC 页数:61 大小:1.3MB 金币:10 举报 版权申诉
预览加载中,请您耐心等待几秒...

施工现场环保检查表.doc

施工现场环保检查表.doc

预览

免费试读已结束,剩余 51 页请下载文档后查看

10 金币

下载文档

如果您无法下载资料,请参考说明:

1、部分资料下载需要金币,请确保您的账户上有足够的金币

2、已购买过的文档,再次下载不重复扣费

3、资料包下载后请先用软件解压,在使用对应软件打开

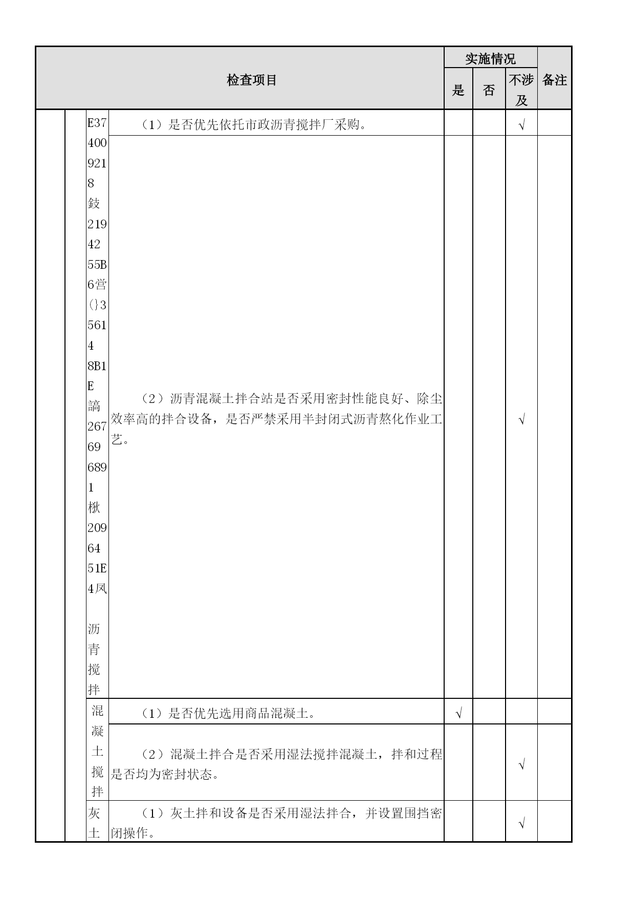
施工现场环保检查表优质资料(可以直接使用,可编辑优质资料,欢迎下载)附件SEQ附件\*ARABIC3施工现场环保检查表世界银行贷款江西鄱阳湖生态经济编号:090区及流域城镇发展示范项目建设日期:2021年4月29日填表说明:本表为“世界银行贷款江西鄱阳湖生态经济区及流域城镇发展示范项目”d道路工程施工期环保检查核对清单,针对具体子项目、当地环境状况和相关的环保措施,必要时可适当增加或调整。子项目名称:横峰县世行贷款城铺大道工程合同编号及子项目所在地:HF-CW-01项目施工场地名称:k3+500—k7+000。当前施工阶段:路基填筑、垫层施工、水稳施工、砼路面环保检查日期:2021年4月29日具体时间:15:31检查日天气情况:雨12~25℃环境检查人:项通正、熊蛟检查项目实施情况备注是否不涉及施工场地环保实施规程(1)是否办理好项目用地的(施工生产区、施工营地、施工便道、施工料场)相关手续。√(2)改建道路是否做好现有管线调查工作,以避免施工破坏现有管线。nz2579164BF撿317657C15簕`298107472瑲}√(3)施工单位是否与镇项目组织机构磋商确定适合的公共水源,是否选用市政自来水或周边村庄现有饮用水水源并严禁新凿水井。√其他(应具体说明)建设场地管理主体工程施工区环境影响控制地表清理(1)是否注意洒水抑尘,以减少扬尘污染。√(2)是否将产生的建筑渣土及时清运;从事土方、渣土和施工垃圾的运输,是否使用密闭式运输车辆。√路基施工(1)是否严格控制路基、管线开挖,以避免超挖破坏周围植被,是否禁止施工区外任意砍伐树木。√(2)是否将产生的弃土及时清运;从事土方、渣土和施工垃圾的运输,是否使用密闭式运输车辆。√(3)施工场地是否洒水抑尘,以减少扬尘污染。√2891770F5烵236435C5B屛29086719E熞3756992C1鋁205185026倦rB路面施工(1)沥青拌合是否采取集中的厂拌方式,拌合站是否位于施工生产区内,严禁在主体工程施工区设置沥青拌合站。√边坡修坡(1)裸露的边坡是否及时进行修坡,减少边坡暴露时间。√(2)裸露的边坡是否用防尘网覆盖或洒水抑尘,避免扬尘污染。√生态修复(1)建设工程竣工前是否对破坏的土地进行生态修复,且至少恢复到施工前的状态。√(2)建设过程中剥离的可耕作的表土是否临时堆置在场地内较为平整的区域,并采用袋装土垒砌临时拦挡;是否在其周边设置临时排水沟和沉砂措施,并采用防尘网覆盖,并在施工结束后用于施工营地的生态恢复。√桥涵施工(1)是否选择枯水期进行桥涵施工,并尽量缩短施工时间,以减少对水体的扰动。√(2)是否加强对设备的保养、维护,减少跑冒滴漏现象的发生。√/200714E67乧387409754靔=391869912餒380169480钀245365FD8忘(3)是否严禁在水体附近堆放如沥青、油料、化学品等施工材料。√施工噪声(1)是否严格控制施工时间,对距居民区150m以内的施工现场,噪声大的施工机具是否在夜间(22:00~06:00)停止施工。必须连续施工作业的工点,施工单位是否视具体情况及时与当地环保部门取得联系,按规定申领夜间施工证,同时发布公告最大限度地争取民众支持。√(2)是否对距离施工场地较近的敏感点(50m以内)采取移动式或临时声屏障等防噪措施。√(3)施工场地是否尽量远离沿线学校、医院。学校附近强噪声机械施工作业时间是否和校方商定,尽量不在学校考试时间施工。√其他(1)是否在施工现场严禁焚烧各类废弃物。√施工生产区环境影响控制地表清理(1)是否注意洒水抑尘,减少扬尘污染。√(2)产生的建筑渣土是否及时清运。√E374009218鈘2194255B6営(}356148B1E謞267696891梑2096451E4凤沥青搅拌(1)是否优先依托市政沥青搅拌厂采购。√(2)沥青混凝土拌合站是否采用密封性能良好、除尘效率高的拌合设备,是否严禁采用半封闭式沥青熬化作业工艺。√混凝土搅拌(1)是否优先选用商品混凝土。√(2)混凝土拌合是否采用湿法搅拌混凝土,拌和过程是否均为密封状态。√灰土拌合(1)灰土拌和设备是否采用湿法拌合,并设置围挡密闭操作。√物料装卸储存(1)土方、水泥和石灰等散装物料运输、临时存放和装卸过程中,是否采取防风遮挡措施或降尘措施。√(2)物料存放区场地是否平整坚实。√v%4%3837895EA闪320427D2A紪>:(3)施工材料如水泥、石灰、砂石等堆放场地是否设围挡措施,并加蓬布覆盖以减少雨水冲刷造成污染。√施工运输车辆(1)施工现场出入口处是否设置冲洗车辆的设施,出场时是否将车辆清理干净;汽车清洗设备与工地出口间道路是否铺设混凝土、沥青或碎砖垫层,且不得将泥沙带出现场。√(2)从事土
单篇购买
VIP会员(1亿+VIP文档免费下)

扫码即表示接受《下载须知》

施工现场环保检查表

文档大小:1.3MB

限时特价:扫码查看

• 请登录后再进行扫码购买
• 使用微信/支付宝扫码注册及付费下载,详阅 用户协议 隐私政策
• 如已在其他页面进行付款,请刷新当前页面重试
• 付费购买成功后,此文档可永久免费下载
年会员
99.0
¥199.0

6亿VIP文档任选,共次下载特权。

已优惠

微信/支付宝扫码完成支付,可开具发票

VIP尽享专属权益

VIP文档免费下载

赠送VIP文档免费下载次数

阅读免打扰

去除文档详情页间广告

专属身份标识

尊贵的VIP专属身份标识

高级客服

一对一高级客服服务

多端互通

电脑端/手机端权益通用

手机号注册 用户名注册
我已阅读并接受《用户协议》《隐私政策》
已有账号?立即登录
我已阅读并接受《用户协议》《隐私政策》
已有账号?立即登录
登录
手机号登录 微信扫码登录
微信扫一扫登录 账号密码登录

首次登录需关注“豆柴文库”公众号

新用户注册
VIP会员(1亿+VIP文档免费下)
年会员
99.0
¥199.0

6亿VIP文档任选,共次下载特权。

已优惠

微信/支付宝扫码完成支付,可开具发票

VIP尽享专属权益

VIP文档免费下载

赠送VIP文档免费下载次数

阅读免打扰

去除文档详情页间广告

专属身份标识

尊贵的VIP专属身份标识

高级客服

一对一高级客服服务

多端互通

电脑端/手机端权益通用