您所在位置: 网站首页 / 文档列表 / 物流师考试 / 文档详情
《物流管理定量分析》作业试题.docx 立即下载
上传人:文宣****66 上传时间:2024-09-04 格式:DOCX 页数:25 大小: 金币:10 举报 版权申诉
预览加载中,请您耐心等待几秒...

《物流管理定量分析》作业试题.docx

《物流管理定量分析》作业试题.docx

预览

免费试读已结束,剩余 15 页请下载文档后查看

10 金币

下载文档

如果您无法下载资料,请参考说明:

1、部分资料下载需要金币,请确保您的账户上有足够的金币

2、已购买过的文档,再次下载不重复扣费

3、资料包下载后请先用软件解压,在使用对应软件打开

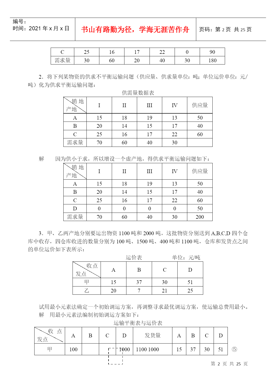
编号:时间:2021年x月x日书山有路勤为径,学海无涯苦作舟页码:第PAGE25页共NUMPAGES25页第PAGE\*MERGEFORMAT25页共NUMPAGES\*MERGEFORMAT25页《物流管理定量分析》第一次作业(物资调运方案的优化的表上作业法)1.将下列某物资的供求不平衡运输问题(供应量、供求量单位:吨;单位运价单位:元/吨)化为供求平衡运输问题:供需量数据表销地产地IIIIIIIV供应量A1518191350B2014151740C2516172290需求量30602040解因为供大于求,所以增设一个虚销地,得供求平衡运输问题如下:销地产地IIIIIIIVV供应量A15181913050B20141517040C25161722090需求量30602040301802.将下列某物资的供求不平衡运输问题(供应量、供求量单位:吨;单位运价单位:元/吨)化为供求平衡运输问题:供需量数据表销地产地IIIIIIIV供应量A1518191350B2014151740C2516172260需求量70604030解因为供小于求,所以增设一个虚产地,得供求平衡运输问题如下:销地产地IIIIIIIV供应量A1518191350B2014151740C2516172260D000050需求量706040302003.甲、乙两产地分别要运出物资1100吨和2000吨,这批物资分别送到A,B,C,D四个仓库中收存,四仓库收进的数量分别为100吨、1500吨、400吨和1100吨,仓库和发货点之间的单位运价如下表所示:运价表单位:元/吨收点发点ABCD甲15373051乙2072125试用最小元素法确定一个初始调运方案,再调整寻求最优调运方案,使运输总费用最小。解用最小元素法编制初始调运方案如下:运输平衡表与运价表收点发点ABCD发货量ABCD甲10010001100100015373051⑤乙150040010020005001002072125④收货量1001500400110010003100②①③填有数字的格子数=2+4-1=5用闭回路法计算检验数:,因为有负检验数,所以此方案不是最优的,需进一步调整,调整量为:调整后的调运方案是:运输平衡表与运价表收点发点ABCD发货量ABCD甲100400600110015373051乙150050020002072125收货量100150040011003100求最新调运方案的检验数:,因为所有检验数均大于0,所以此方案最优,最小运输费用为:(元)4.设某物资要从产地调往销地,运输平衡表(单位:吨)与运价表(单位:元/吨)如下表所示:运输平衡表与运价表销地产地供应量205040805030109060603020需求量403060130试用最小元素法编制初始调运方案,并求最优调运方案。解编制初始调运方案如下:运输平衡表与运价表销地产地供应量200200504080⑤20305020301090③6060603020②需求量402030600130④①计算检验数:,,因为所有检验数均大于0,所以此方案是最优方案,最小运费为:5.设某物资要从产地调往销地,运输平衡表(单位:吨)与运价表(单位:百元/吨)如下表所示:运输平衡表与运价表销地产地供应量731131241929974105需求量365620试问应怎样调运才能使总运费最省?解编制初始调运方案如下:运输平衡表与运价表销地产地供应量437331131231411929②639374105⑤需求量36546320①④③计算检验数:,因为有负检验数,所以此方案不是最优的,需进一步调整,调整量为:调整后的调运方案是:运输平衡表与运价表销地产地供应量527311312314192954974105需求量365620求最新调运方案的检验数:,,因为有负检验数,所以此方案不是最优的,继续调整,调整量为:调整后的调运方案是:运输平衡表与运价表销地产地供应量527311312314192963974105需求量365620求最新调运方案的检验数:因为有负检验数,所以此方案不是最优的,继续调整,调整量为:调整后的调运方案是:运输平衡表与运价表销地产地供应量257311312134192963974105需求量365620求最新调运方案的检验数:,,,因为所有检验数均大于0,所以此方案最优,最省运费为:(百元)6.有一3个起始点和4个目的点的运输问题,3个起始点的供应量分别为50吨、50吨、75吨,4个目的点的需求量分别为40吨、55
单篇购买
VIP会员(1亿+VIP文档免费下)

扫码即表示接受《下载须知》

《物流管理定量分析》作业试题

文档大小:

限时特价:扫码查看

• 请登录后再进行扫码购买
• 使用微信/支付宝扫码注册及付费下载,详阅 用户协议 隐私政策
• 如已在其他页面进行付款,请刷新当前页面重试
• 付费购买成功后,此文档可永久免费下载
年会员
99.0
¥199.0

6亿VIP文档任选,共次下载特权。

已优惠

微信/支付宝扫码完成支付,可开具发票

VIP尽享专属权益

VIP文档免费下载

赠送VIP文档免费下载次数

阅读免打扰

去除文档详情页间广告

专属身份标识

尊贵的VIP专属身份标识

高级客服

一对一高级客服服务

多端互通

电脑端/手机端权益通用

手机号注册 用户名注册
我已阅读并接受《用户协议》《隐私政策》
已有账号?立即登录
我已阅读并接受《用户协议》《隐私政策》
已有账号?立即登录
登录
手机号登录 微信扫码登录
微信扫一扫登录 账号密码登录

首次登录需关注“豆柴文库”公众号

新用户注册
VIP会员(1亿+VIP文档免费下)
年会员
99.0
¥199.0

6亿VIP文档任选,共次下载特权。

已优惠

微信/支付宝扫码完成支付,可开具发票

VIP尽享专属权益

VIP文档免费下载

赠送VIP文档免费下载次数

阅读免打扰

去除文档详情页间广告

专属身份标识

尊贵的VIP专属身份标识

高级客服

一对一高级客服服务

多端互通

电脑端/手机端权益通用