您所在位置: 网站首页 / 文档列表 / 机械/模具设计 / 文档详情
塑料注塑模具设计.doc 立即下载
上传人:天马****23 上传时间:2024-09-08 格式:DOC 页数:56 大小:4.4MB 金币:10 举报 版权申诉
预览加载中,请您耐心等待几秒...

塑料注塑模具设计.doc

塑料注塑模具设计.doc

预览

免费试读已结束,剩余 46 页请下载文档后查看

10 金币

下载文档

如果您无法下载资料,请参考说明:

1、部分资料下载需要金币,请确保您的账户上有足够的金币

2、已购买过的文档,再次下载不重复扣费

3、资料包下载后请先用软件解压,在使用对应软件打开

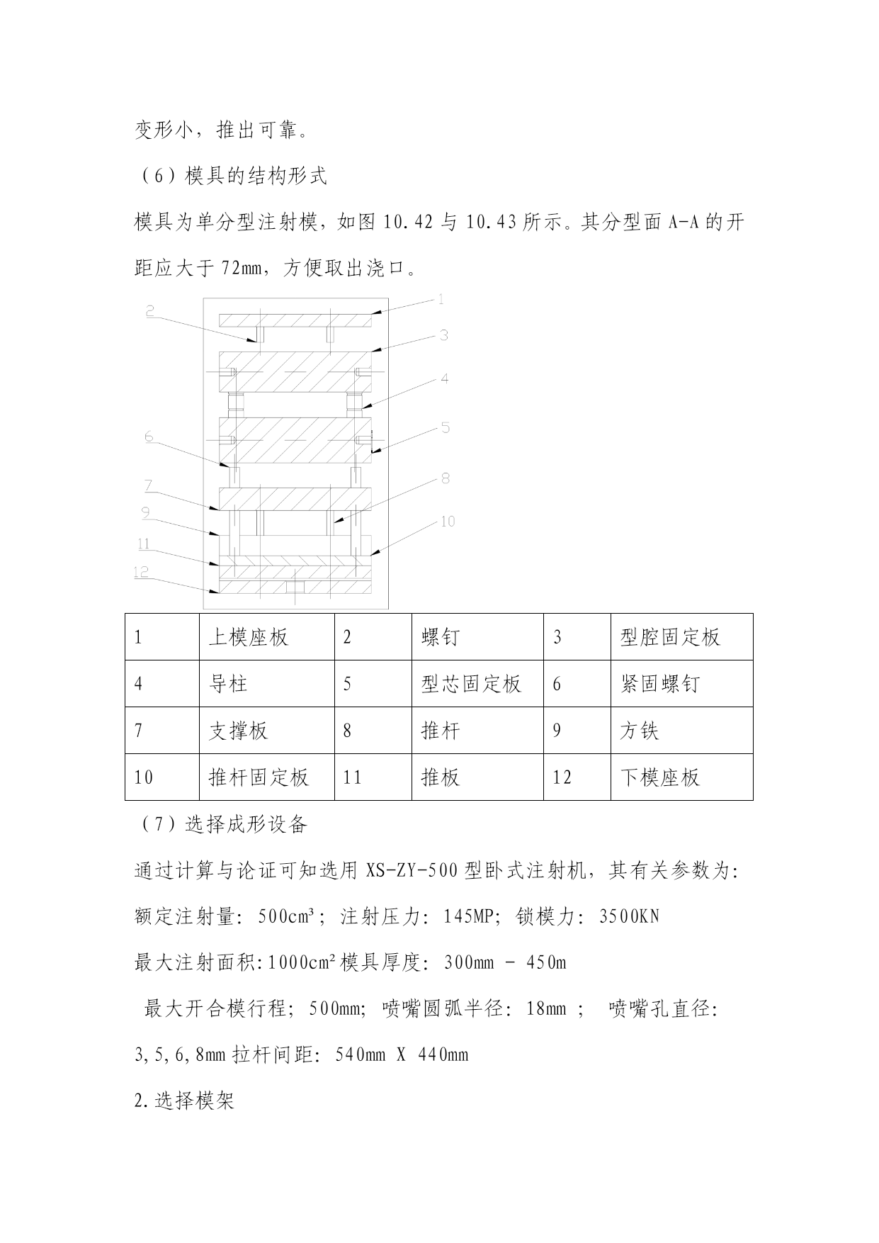
塑料注塑模具设计(常用版)(可以直接使用,可编辑完整版资料,欢迎下载)1.1塑件的工艺分析1.塑件的成型工艺分析。塑件如图10.37所示。产品名称:xxx产品材料:ABS(奇美727)(抗冲)产品数量:较大批量生产塑件尺寸:如图10.37所示塑件质量:1.6mg塑件颜色:白色塑件要求:塑件外侧表面光滑,下端外沿允许有浇口接痕。塑件允许最大脱模角度0.5°塑件材料的特性ABS(奇美727)塑料(丙烯腈——丁二烯——苯乙烯共聚物)是在聚苯乙烯分子中导入了丙烯腈,丁二烯等异种单体后成为的改性共聚物,具有比聚苯乙烯更好地使用和工艺性能。ABS(奇美727)是一种常用的具有良好的综合性能的工程塑料。ABS塑料为无定型料,一般不透明。ABS(奇美727)无毒,无味,成型塑件表面有较好的光泽。ABS具有良好的机械性能特别是抗冲击强度高。ABS(奇美727)还具有一定的耐磨性,耐油性,耐寒性,耐水性,化学稳定性和电性能。ABS(奇美727)缺点是耐热性不高,并且耐气候性较差,在紫外线的作用下易变硬发脆。塑件材料成型性能使用ABS(奇美727)注射成型塑料制品时,由于其熔体粘度不高,所需的注射成型压力较高,因此塑件队形新的包紧力较大,故塑件应采取较大的脱模斜度。另外熔体粘度较高,是ABS(奇美727)制品易产生熔接痕,所以模具设计时尽量减少浇注系统对料流的阻力。ABS(奇美727)易吸水,成型加工前应进行干燥处理。在正常的成型的条件下,ABS制品的尺寸稳定性较好。2.塑件的成型工艺参数确定查到有关手册得到ABS(奇美727)塑料的成形工艺参数如下:密度:1.04~1.06g/cm3;收缩率:0.4-0.7%;预热温度:80—85摄氏度,预热时间2—3h;喷嘴温度:170—180摄氏度;具温度:50—80摄氏度;注射压力:60—100MPa;成形时间:注射时间20—90s,保压时间0—5秒,冷却时间20—150s.1.2模具的基本结构及模架选择1.模架的基本结构(1)确定成形方法塑件采取注射成形法生产。为保证塑件表面质量,使用点交口成形,由于此塑件结构简单故采用单分型注射模。(2)型腔布置塑件结构简单,质量小,生产批量较大。所以采取多型腔注射模具此模具采用一模四腔,平衡布置。这样模具尺寸较小,制造加工方便,生产效率高,塑件成本低。其布置如图所示。(3)确定分型面塑件分型面的选择应保证塑件的质量要求,本塑件分型面设在此塑件轮廓最大处。也就是图10.39b的下端面这样的选择使塑件的外表面可以在整体式凹模型腔成形,塑件大部分外表面光滑。所以采取如图所示的分型面。图右图分型面的选择(4)选择浇注系统塑件采用点浇口成形,其浇注系统如图所示(5)确定推出方式由于塑件形状为圆壳通孔形而且壁厚较薄,无法使用推杆推出。所以选择推件板推出,这种方法结构简单,推出力均匀,塑件在推出时变形小,推出可靠。(6)模具的结构形式模具为单分型注射模,如图10.42与10.43所示。其分型面A-A的开距应大于72mm,方便取出浇口。1上模座板2螺钉3型腔固定板4导柱5型芯固定板6紧固螺钉7支撑板8推杆9方铁10推杆固定板11推板12下模座板(7)选择成形设备通过计算与论证可知选用XS-ZY-500型卧式注射机,其有关参数为:额定注射量:500cm³;注射压力:145MP;锁模力:3500KN最大注射面积:1000cm²模具厚度:300mm-450m最大开合模行程;500mm;喷嘴圆弧半径:18mm;喷嘴孔直径:3,5,6,8mm拉杆间距:540mmX440mm2.选择模架(1)模架的结构模架的结构如图(2)模架安装尺寸校核模架外形尺寸为长300mm,宽300mm,高356mm,小于注射机拉杆间距和最大模具厚度,可以方便地安装在注射机上。1.3模具结构,尺寸的设计计算1.模具结构设计计算(1)如图所示,型腔由定模板6定镶嵌件8部分组成。而且点浇口开在定模镶嵌件上,这样使加工方便,有利于型腔的抛光。定模镶件可以更换,提高了模具的寿命。(2)型芯结构如图所示,型芯由型芯固定板12的孔固定,型芯与型芯镶件9采用锥面配合,以保证配合紧密防止塑件产生飞边。另外,锥面配合可以减少推荐板在推件运动与芯之间的摩擦。型芯中心开有冷却水孔,用来强制冷却型芯。(3)模具的导向结构如图为了保证模具运动精度,模具的定模部分与动模部分之间采用导柱4与导套导向定位。型腔固定板3上装有导套,推出制件,导套在导柱4运动,保证了推件板的运动精度。(4)结构强度计算由于产品很小,而且截面积小,产品到模具边缘大于xxxx)(5)强制脱模验算1定位圈7冷却水道12型芯固定板17推板2紧固螺钉8定
单篇购买
VIP会员(1亿+VIP文档免费下)

扫码即表示接受《下载须知》

塑料注塑模具设计

文档大小:4.4MB

限时特价:扫码查看

• 请登录后再进行扫码购买
• 使用微信/支付宝扫码注册及付费下载,详阅 用户协议 隐私政策
• 如已在其他页面进行付款,请刷新当前页面重试
• 付费购买成功后,此文档可永久免费下载
年会员
99.0
¥199.0

6亿VIP文档任选,共次下载特权。

已优惠

微信/支付宝扫码完成支付,可开具发票

VIP尽享专属权益

VIP文档免费下载

赠送VIP文档免费下载次数

阅读免打扰

去除文档详情页间广告

专属身份标识

尊贵的VIP专属身份标识

高级客服

一对一高级客服服务

多端互通

电脑端/手机端权益通用

手机号注册 用户名注册
我已阅读并接受《用户协议》《隐私政策》
已有账号?立即登录
我已阅读并接受《用户协议》《隐私政策》
已有账号?立即登录
登录
手机号登录 微信扫码登录
微信扫一扫登录 账号密码登录

首次登录需关注“豆柴文库”公众号

新用户注册
VIP会员(1亿+VIP文档免费下)
年会员
99.0
¥199.0

6亿VIP文档任选,共次下载特权。

已优惠

微信/支付宝扫码完成支付,可开具发票

VIP尽享专属权益

VIP文档免费下载

赠送VIP文档免费下载次数

阅读免打扰

去除文档详情页间广告

专属身份标识

尊贵的VIP专属身份标识

高级客服

一对一高级客服服务

多端互通

电脑端/手机端权益通用