您所在位置: 网站首页 / 文档列表 / 工业设计 / 文档详情
机电工程学院空气储罐设计.docx 立即下载
上传人:斌斌****公主 上传时间:2024-09-04 格式:DOCX 页数:29 大小: 金币:10 举报 版权申诉
预览加载中,请您耐心等待几秒...

机电工程学院空气储罐设计.docx

机电工程学院空气储罐设计.docx

预览

免费试读已结束,剩余 19 页请下载文档后查看

10 金币

下载文档

如果您无法下载资料,请参考说明:

1、部分资料下载需要金币,请确保您的账户上有足够的金币

2、已购买过的文档,再次下载不重复扣费

3、资料包下载后请先用软件解压,在使用对应软件打开

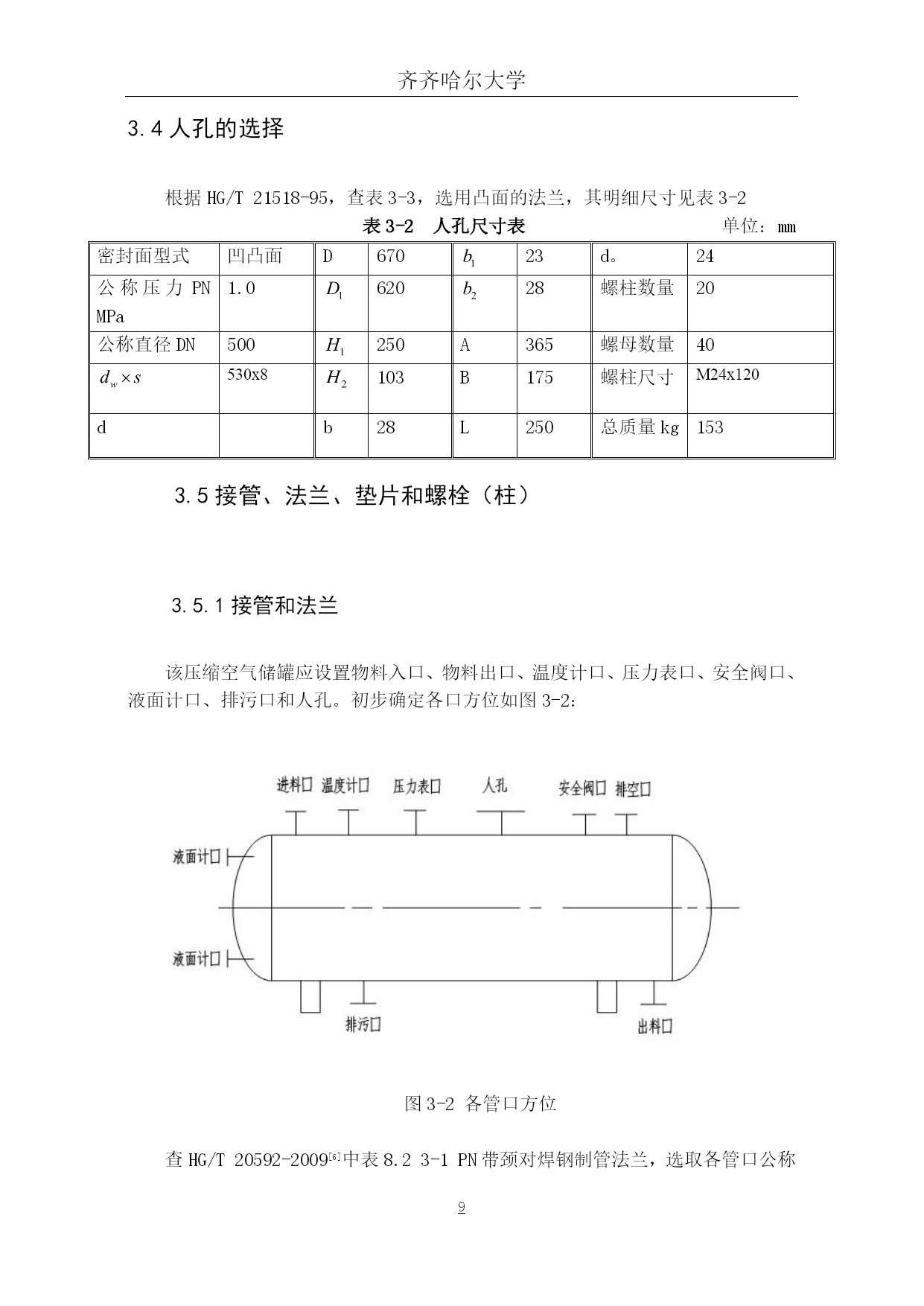
齐齐哈尔大学PAGEPAGE11齐齐哈尔大学齐齐哈尔大学设备设计课程设计题目名称:空气储罐设计学院:机电工程学院专业班级:过控102学生姓名:王国涛指导教师:刘岩完成日期:2013-12-20目录TOC\o"1-3"\f\h\z\uHYPERLINK\l"_Toc267049898"摘要3绪论..................................................................4HYPERLINK\l"_Toc267049898"第一章压缩空气的特性5HYPERLINK\l"_Toc267049877"第二章设计参数的选择6HYPERLINK\l"_Toc267049878"第三章容器的结构设计7HYPERLINK\l"_Toc267049879"3.1圆筒厚度的设计7HYPERLINK\l"_Toc267049880"3.2封头厚度的计算7HYPERLINK\l"_Toc267049881"3.3筒体和封头的结构设计8HYPERLINK\l"_Toc267049882"3.4人孔的选择9HYPERLINK\l"_Toc267049883"3.5接管,法兰,垫片和螺栓(柱)9HYPERLINK\l"_Toc267049887"3.6鞍座选型和结构设计12HYPERLINK\l"_Toc267049890"第四章开孔补强设计15HYPERLINK\l"_Toc267049891"4.1补强设计方法判别PAGEREF_Toc267049891\h15HYPERLINK\l"_Toc267049892"4.2有效补强范围15HYPERLINK\l"_Toc267049896"4.3有效补强面积PAGEREF_Toc267049896\h16HYPERLINK\l"_Toc267049897"4.4补强面积PAGEREF_Toc267049897\h17HYPERLINK\l"_Toc267049898"第五章强度计算18HYPERLINK\l"_Toc267049899"5.1水压试验应力校核PAGEREF_Toc267049899\h18HYPERLINK\l"_Toc267049900"5.2圆筒轴向弯矩计算PAGEREF_Toc267049900\h18HYPERLINK\l"_Toc267049903"5.3圆筒轴向应力计算及校核20HYPERLINK\l"_Toc267049907"5.4切向剪应力的计算及校核22HYPERLINK\l"_Toc267049911"5.5圆筒周向应力的计算和校核23HYPERLINK\l"_Toc267049916"5.6鞍座应力计算及校核25HYPERLINK\l"_Toc267049898"第六章总结28HYPERLINK\l"_Toc267049923"参考文献29摘要本说明书为《3.0m3空气储罐设计说明书》。扼要介绍了卧式储罐的特点及在工业中的广泛应用,详细的阐述了卧式储罐的结构及强度设计计算及制造、检修和维护。本文采用分析设计方法,综合考虑环境条件、液体性质等因素并参考相关标准,按工艺设计、设备结构设计、设备强度计算的设计顺序,分别对储罐的筒体、封头、鞍座、接管进行设计,然后采用1SW6-1998对其进行强度校核,最后形成合理的设计方案。设计结果满足用户要求,安全性与经济性及环保要求均合格。关键词:压力容器、卧式储罐、结构设计、强度校核、开孔补强绪论1.1设计任务:针对化工厂中常见的液氨储罐,完成主体设备的工艺设计和附属设备的选型设计,绘制总装配图,并便携设计说明书。1.2设计思想:综合运用所学的机械基础课程知识,本着认真负责的态度,对储罐进行设计。在设计过程中综合考虑了经济性,实用性,安全可靠性。各项设计参数都正确参考了行业使用标准或国家标准,这样设计有章可循,并考虑到结构方面的要求,综合的进行设计。1.3设计特点:容器的设计一般由筒体,封头,法兰,支座,接管等组成。常,低压化工设备通用零部件大都有标准,设计师可直接选用。本设计书主要介绍了液罐的筒体,封头的设计计算,低压通用零部件的选用。各项设计参数都正确参考了行业使用标准或国家使用标准,这样让设计有章可循,并考虑
单篇购买
VIP会员(1亿+VIP文档免费下)

扫码即表示接受《下载须知》

机电工程学院空气储罐设计

文档大小:

限时特价:扫码查看

• 请登录后再进行扫码购买
• 使用微信/支付宝扫码注册及付费下载,详阅 用户协议 隐私政策
• 如已在其他页面进行付款,请刷新当前页面重试
• 付费购买成功后,此文档可永久免费下载
年会员
99.0
¥199.0

6亿VIP文档任选,共次下载特权。

已优惠

微信/支付宝扫码完成支付,可开具发票

VIP尽享专属权益

VIP文档免费下载

赠送VIP文档免费下载次数

阅读免打扰

去除文档详情页间广告

专属身份标识

尊贵的VIP专属身份标识

高级客服

一对一高级客服服务

多端互通

电脑端/手机端权益通用

手机号注册 用户名注册
我已阅读并接受《用户协议》《隐私政策》
已有账号?立即登录
我已阅读并接受《用户协议》《隐私政策》
已有账号?立即登录
登录
手机号登录 微信扫码登录
微信扫一扫登录 账号密码登录

首次登录需关注“豆柴文库”公众号

新用户注册
VIP会员(1亿+VIP文档免费下)
年会员
99.0
¥199.0

6亿VIP文档任选,共次下载特权。

已优惠

微信/支付宝扫码完成支付,可开具发票

VIP尽享专属权益

VIP文档免费下载

赠送VIP文档免费下载次数

阅读免打扰

去除文档详情页间广告

专属身份标识

尊贵的VIP专属身份标识

高级客服

一对一高级客服服务

多端互通

电脑端/手机端权益通用