您所在位置: 网站首页 / 文档列表 / 电气安装工程 / 文档详情
《机电安装工程质量检验评定表》.doc 立即下载
上传人:yy****24 上传时间:2024-09-05 格式:DOC 页数:69 大小:1.8MB 金币:18 举报 版权申诉
预览加载中,请您耐心等待几秒...

《机电安装工程质量检验评定表》.doc

《机电安装工程质量检验评定表》.doc

预览

免费试读已结束,剩余 59 页请下载文档后查看

18 金币

下载文档

如果您无法下载资料,请参考说明:

1、部分资料下载需要金币,请确保您的账户上有足够的金币

2、已购买过的文档,再次下载不重复扣费

3、资料包下载后请先用软件解压,在使用对应软件打开

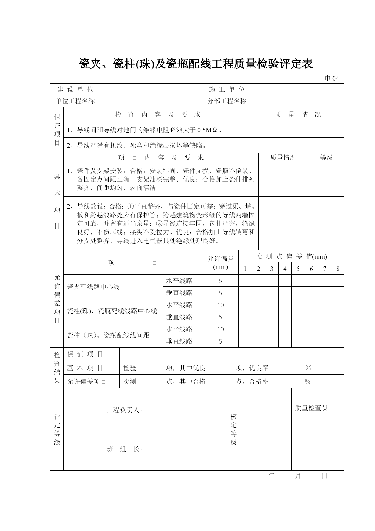
目录金属切削机床安装工程质量检查评定表(机表01)起重机轨道安装分项工程质量检验评定表(机表02)天车轨道测量记录表(机表02付)电动桥式起重机、龙门起重机、电葫芦安装工程质量检验评定表(机表03)整体活塞式气体压缩机、立式、V式、W式制冷压缩机安装分项工程质量检验评定表(机表04)离心式、轴济式、罗茨式、叶氏鼓风机安装分项工程质量检验评定表(机表05)离心泵、轴流泵安装分项工程质量检验评定表(机表06)固定式胶带输送机安装分项工程质量检验评定表(机表07)斗式提升机安装分项工程质量检验评定表(机表08)板式、链式、螺旋输送机安装分项工程质量检验评定表(机表09)箱槽安装分项工程质量检验评定表(机表10)小型圆形容器安装分项工程质量检验评定表(机表11)碳素钢管道安装分项工程质量检验评定表(机表12-1)碳素钢管道安装分项工程质量检验评定表(续)(机表12-2)铸铁管道安装分项工程质量检验评定表(机表13)钢结构安装分项工程质量检验评定表(机表14)采暖管道安装分项工程质量检验评定表(机表15-1)采暖散热器安装分项工程质量检验评定表(机表15-2)剪切机、弯曲校正机安装分项工程质量检验评定表(机表16)锻锤安装分项工程质量检验评定表(机表17)透平鼓风机安装分项工程质量检验评定表(机表18)机械压力机安装分项工程质量检验评定表(机表19)液压机安装分项工程质量检验评定表(机表20)解体组装活塞式空气压缩机安装分项工程质量检验评定表(机表21)解体卧式氨制冷压缩机安装分项工程质量检验评定表(机表22)卫生器具及给水配件安装分项工程质量检验评定表(机表23)玻璃钢冷却塔安装分项工程质量检验评定表(机表24)塔类安装分项工程质量检验评定表(机表25)拱顶罐安装分项工程质量检验评定表(机表26)浮顶罐安装分项工程质量检验评定表(机表27)隔热安装分项工程质量检验评定表(机表28)空气处理设备及消声器安装分项工程质量检验评定表(机表29)金属风管及部件制作工程质量检验评定表(机表30)风管及部件安装分项工程质量检验评定表(一)(机表31-1)风管及部件安装分项工程质量检验评定表(二)(机表31-2)通风机安装分项工程质量检验评定表(机表33)单轨、悬挂输送机安装分项工程质量检验评定表(机表34)不锈钢管道安装分项工程质量检验评定表(机表35-1)不锈钢管道安装分项工程质量检验评定表(机表35-2)钢结构制作分项工程质量检验评定表(机表37)搽顶、浮顶、无力矩罐制作分项工程质量检验评定表(机表38)贮气罐制作分项工程质量检验评定表(机表39)贮气罐安装分项工程质量检验评定表(机表40)箱、槽制作分项工程质量检验评定表(机表41)管道系统吹洗脱脂记录(机表42)架空线路和杆上电器设备安装分项工程质量检验评定表(电01)电缆线路分项工程质量检验评定表(电02)配管及管内穿线工程质量检验评定表(电03)瓷夹、瓷柱(珠)瓷瓶配线工程质量检验评定表(电04)护套线配线工程质量检验评定表(电05)槽板配线工程质量检验评定表(电06)配线用钢索工程质量检验评定表(电07)硬母线安装工程质量检验评定表(电08)滑接线和移动式软电缆安装工程质量检验评定表(电09)电力变压器安装工程质量检验评定表(电10)高压开关安装工程质量检验评定表(电11)成套配电柜(盘)及动力开关柜安装工程质量检验评定表(电12)低压力电器安装工程质量检验评定表(电13)电机的电气检查和接线工程质量检验评定表(电14)蓄电池安装工程质量检验评定表(电15)电气照明器具及其配电箱(盘)安装工程质量检验评定表(电16)避雷针(网)及接地装置安装工程质量检验评定表(电17)仪表盘、仪表箱、操纵台安装质量检验评定表(自表01)温度仪表安装质量检验评定表(自表02)压力仪表安装质量检验评定表(自表03)节流元件安装质量检验评定表(自表04)流量及差压仪表安装质量检验评定表(自表05)物位仪表安装质量检验评定表(自表06)分析仪表安装质量检验评定表(自表07)调节阀和执行机构安装质量检验评定表(自表08)仪表连接管路敷设质量检验评定表(自表09)电气线路敷设质量检验评定表(自表10)信号、联锁及保护装置安装质量检验评定表(自表11)仪表高度质量检验评定表(自表12)单位工程质量综合评定表(通用01)单位工程施工质量评定表(通用02)工程质量保证资料核查表(通用03)单位工程观感质量评定表(通用04)分部工程质量评定表(通用表05)分项工程质量检验评定表(通表06)安装施工检验记录(通用)调整试验记录(试表01)交流耐压试验报告
单篇购买
VIP会员(1亿+VIP文档免费下)

扫码即表示接受《下载须知》

《机电安装工程质量检验评定表》

文档大小:1.8MB

限时特价:扫码查看

• 请登录后再进行扫码购买
• 使用微信/支付宝扫码注册及付费下载,详阅 用户协议 隐私政策
• 如已在其他页面进行付款,请刷新当前页面重试
• 付费购买成功后,此文档可永久免费下载
年会员
99.0
¥199.0

6亿VIP文档任选,共次下载特权。

已优惠

微信/支付宝扫码完成支付,可开具发票

VIP尽享专属权益

VIP文档免费下载

赠送VIP文档免费下载次数

阅读免打扰

去除文档详情页间广告

专属身份标识

尊贵的VIP专属身份标识

高级客服

一对一高级客服服务

多端互通

电脑端/手机端权益通用

手机号注册 用户名注册
我已阅读并接受《用户协议》《隐私政策》
已有账号?立即登录
我已阅读并接受《用户协议》《隐私政策》
已有账号?立即登录
登录
手机号登录 微信扫码登录
微信扫一扫登录 账号密码登录

首次登录需关注“豆柴文库”公众号

新用户注册
VIP会员(1亿+VIP文档免费下)
年会员
99.0
¥199.0

6亿VIP文档任选,共次下载特权。

已优惠

微信/支付宝扫码完成支付,可开具发票

VIP尽享专属权益

VIP文档免费下载

赠送VIP文档免费下载次数

阅读免打扰

去除文档详情页间广告

专属身份标识

尊贵的VIP专属身份标识

高级客服

一对一高级客服服务

多端互通

电脑端/手机端权益通用