您所在位置: 网站首页 / 文档列表 / 地方法制 / 文档详情
公共场所卫生许可现场审核表.doc 立即下载
上传人:天马****23 上传时间:2024-09-09 格式:DOC 页数:28 大小:1.2MB 金币:10 举报 版权申诉
预览加载中,请您耐心等待几秒...

公共场所卫生许可现场审核表.doc

公共场所卫生许可现场审核表.doc

预览

免费试读已结束,剩余 18 页请下载文档后查看

10 金币

下载文档

如果您无法下载资料,请参考说明:

1、部分资料下载需要金币,请确保您的账户上有足够的金币

2、已购买过的文档,再次下载不重复扣费

3、资料包下载后请先用软件解压,在使用对应软件打开

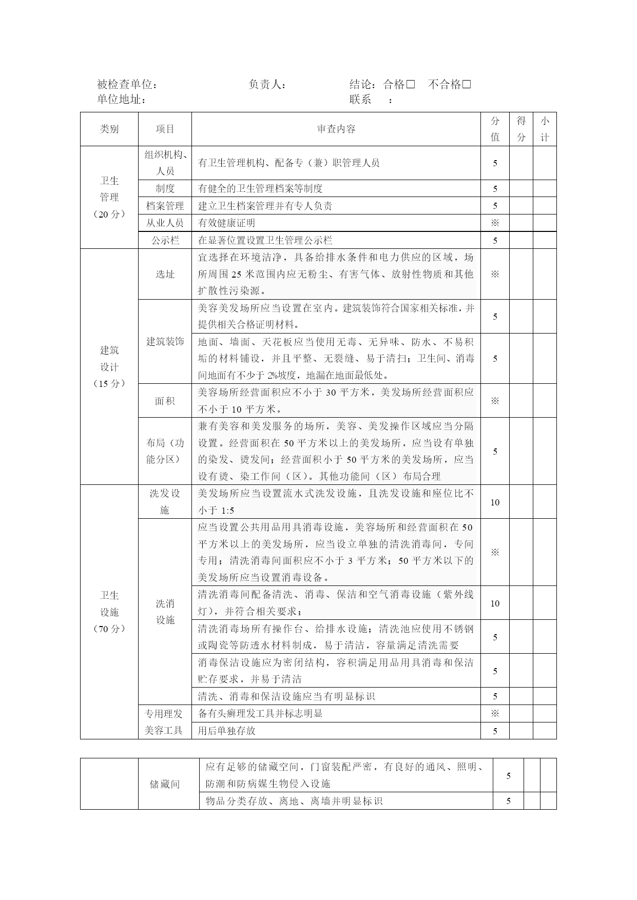
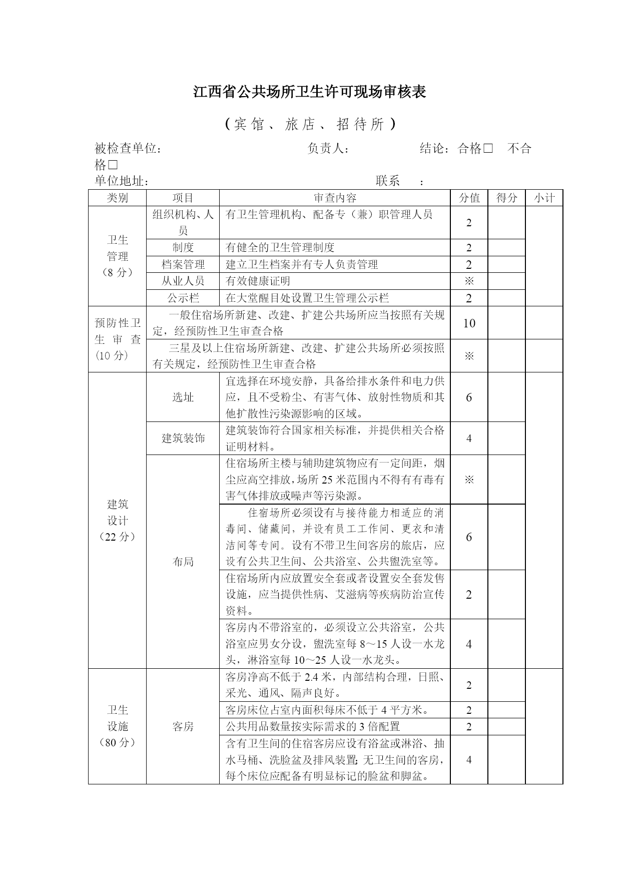
公共场所卫生许可现场审核表优质资料(可以直接使用,可编辑优质资料,欢迎下载)江西省公共场所卫生许可现场审核表(宾馆、旅店、招待所)被检查单位:负责人:结论:合格□不合格□单位地址:联系:类别项目审查内容分值得分小计卫生管理(8分)组织机构、人员有卫生管理机构、配备专(兼)职管理人员2制度有健全的卫生管理制度2档案管理建立卫生档案并有专人负责管理2从业人员有效健康证明※公示栏在大堂醒目处设置卫生管理公示栏2预防性卫生审查(10分)一般住宿场所新建、改建、扩建公共场所应当按照有关规定,经预防性卫生审查合格10三星及以上住宿场所新建、改建、扩建公共场所必须按照有关规定,经预防性卫生审查合格※建筑设计(22分)选址宜选择在环境安静,具备给排水条件和电力供应,且不受粉尘、有害气体、放射性物质和其他扩散性污染源影响的区域。6建筑装饰建筑装饰符合国家相关标准,并提供相关合格证明材料。4布局住宿场所主楼与辅助建筑物应有一定间距,烟尘应高空排放,场所25米范围内不得有有毒有害气体排放或噪声等污染源。※住宿场所必须设有与接待能力相适应的消毒间、储藏间,并设有员工工作间、更衣和清洁间等专间。设有不带卫生间客房的旅店,应设有公共卫生间、公共浴室、公共盥洗室等。6住宿场所内应放置安全套或者设置安全套发售设施,应当提供性病、艾滋病等疾病防治宣传资料。2客房内不带浴室的,必须设立公共浴室,公共浴室应男女分设,盥洗室每8~15人设一水龙头,淋浴室每10~25人设一水龙头。4卫生设施(80分)客房客房净高不低于2.4米,内部结构合理,日照、采光、通风、隔声良好。2客房床位占室内面积每床不低于4平方米。2公共用品数量按实际需求的3倍配置2含有卫生间的住宿客房应设有浴盆或淋浴、抽水马桶、洗脸盆及排风装置;无卫生间的客房,每个床位应配备有明显标记的脸盆和脚盆。4客房内环境应干净、整洁,摆放的物品无灰尘,无污渍;客房空调过滤网清洁、无积尘。4储藏间每50个床位设立一个储藏间。2应有良好的通风设施及防鼠、防潮、防虫、防蟑螂等预防控制病媒生物设施,贮藏间保持干爽、清洁,防止物品发霉。4间内应设置数量足够的物品存放柜或货架,物品应分类、分架、隔地、离墙贮存。4每50个床位不少于一个工作车。工作车应有足够空间分别存放客用棉织品、一次性用品及清洁工具并有明显的标识。2工作车所带垃圾袋应与洁净棉织品、一次性用品及洁净工具分开,清洁浴盆、脸盆、抽水马桶的工具应分开存放,标志明显。2洗衣房洗衣房应分设工作人员出入口、待洗棉织品入口及洁净棉织品出口,并避开主要客流通道。4洗衣房应依次分设棉织品分拣区、清洗干燥区、整烫折叠区、存放区、发放区。棉织品分拣、清洗、干燥、修补、熨平、分类、暂存、发放等工序应做到洁污分开,防止交叉污染。※公共用品如需外洗的,应选择清洗消毒条件合格的承洗单位,作好物品送洗与接收记录,并索要承洗单位物品清洗消毒记录和一年两次的检测报告单。4洗消设施住宿场所应设置洗消专间,每50个床位不得少于1个洗消专间。※清洗消毒间地面与墙面应使用防水、防霉、可洗刷的材料,墙裙高度不得低于1.5米,地面坡度不小于2%,并设有机械通风装置。6饮具宜用热力法消毒。采用化学法消毒饮具的住宿场所,消毒间内至少应设有3个饮具专用清洗消毒池,并有相应的消毒剂配比容器。应配备已消毒饮具(茶杯、口杯、酒杯等)专用存放保洁设施,其结构应密闭并易于清洁。4配有拖鞋、脸盆、脚盆的住宿场所,消毒间内应有拖鞋、脸盆、脚盆专用清洗消毒池及已消毒用具(拖鞋、脸盆、脚盆等)存放专区。4各类水池应使用防渗水、不易积垢、易于清洗的材料制成,并设置标识明示用途。2公共卫生间应男、女分设,便池应采用水冲式,地面、墙壁、便池等应采用易冲洗、防渗水材料制成。卫生间地面应略低于客房,地面坡度不小于2%,并设置防臭型地漏。卫生间排污管道应与经营场所排水管道分设,设有有效的防臭水封。4应有适当照明,与外界相通的门窗安装严密,纱门及纱窗易于清洁,外门能自动关闭。卫生间内应设置洗手设施,位置宜在出入口附近。4男卫生间应按每15~35人设大小便器各1个,女卫生间应按每10~25人设便器1个。便池宜为蹲式,配置坐式便器宜提供一次性卫生座垫。4三防设施住宿场所应设置防鼠、防蚊、防蝇、防蟑螂及防潮、防尘等设施。4与外界直接相通并可开启的门窗应安装易于拆卸、清洗的防蝇门帘、纱网或设置空气风帘机。2排水沟出口和排气口应设有网眼孔径小于6毫米的隔栅或网罩,防止鼠类进入。2机械通风装置的送风口和回风口应当设置防鼠装置。2更衣室设有男、女员工更衣室4配置相应更衣柜2环境卫生(4分)内外环境店容、店貌和周围环境应整洁、美观,地面无果皮、痰迹和垃圾。2废弃物存放设置密闭的内壁光滑易清洗废弃物盛放容器,满足使用要求2通风系统(
单篇购买
VIP会员(1亿+VIP文档免费下)

扫码即表示接受《下载须知》

公共场所卫生许可现场审核表

文档大小:1.2MB

限时特价:扫码查看

• 请登录后再进行扫码购买
• 使用微信/支付宝扫码注册及付费下载,详阅 用户协议 隐私政策
• 如已在其他页面进行付款,请刷新当前页面重试
• 付费购买成功后,此文档可永久免费下载
年会员
99.0
¥199.0

6亿VIP文档任选,共次下载特权。

已优惠

微信/支付宝扫码完成支付,可开具发票

VIP尽享专属权益

VIP文档免费下载

赠送VIP文档免费下载次数

阅读免打扰

去除文档详情页间广告

专属身份标识

尊贵的VIP专属身份标识

高级客服

一对一高级客服服务

多端互通

电脑端/手机端权益通用

手机号注册 用户名注册
我已阅读并接受《用户协议》《隐私政策》
已有账号?立即登录
我已阅读并接受《用户协议》《隐私政策》
已有账号?立即登录
登录
手机号登录 微信扫码登录
微信扫一扫登录 账号密码登录

首次登录需关注“豆柴文库”公众号

新用户注册
VIP会员(1亿+VIP文档免费下)
年会员
99.0
¥199.0

6亿VIP文档任选,共次下载特权。

已优惠

微信/支付宝扫码完成支付,可开具发票

VIP尽享专属权益

VIP文档免费下载

赠送VIP文档免费下载次数

阅读免打扰

去除文档详情页间广告

专属身份标识

尊贵的VIP专属身份标识

高级客服

一对一高级客服服务

多端互通

电脑端/手机端权益通用