您所在位置: 网站首页 / 文档列表 / 机械理论及资料 / 文档详情
机械-间隙估算.docx 立即下载
上传人:书生****ma 上传时间:2024-09-04 格式:DOCX 页数:16 大小: 金币:10 举报 版权申诉
预览加载中,请您耐心等待几秒...

机械-间隙估算.docx

机械-间隙估算.docx

预览

免费试读已结束,剩余 6 页请下载文档后查看

10 金币

下载文档

如果您无法下载资料,请参考说明:

1、部分资料下载需要金币,请确保您的账户上有足够的金币

2、已购买过的文档,再次下载不重复扣费

3、资料包下载后请先用软件解压,在使用对应软件打开

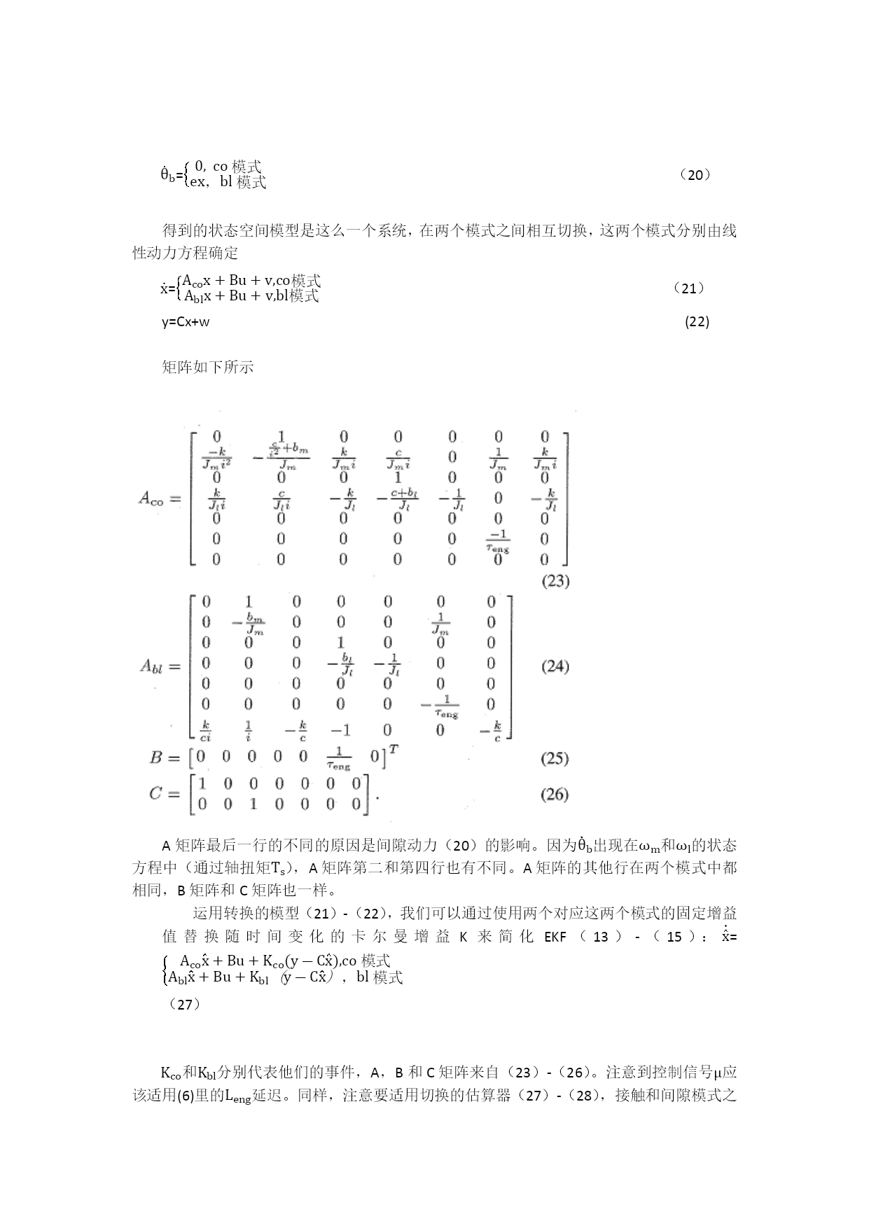
汽车传动系间隙估算的应用摘要——汽车传动系中,间隙引发的对控制质量和汽车驾驶性的影响众所周知。间隙补偿的高性能控制器对传动系的当前状态需要高质量的测量。关于间隙大小的信息也是必要的。在这篇论文中,对间隙的大小和状态的非线性估计利用卡尔曼滤波理论被开发出来。一个对轮子和引擎的快速及准确的估算的线性估计方法也被描述出来。它利用标准引擎速度传感器和防抱死刹车系统速度传感器,并且对传感器的每个脉冲进行基于事件的采样。通过对一个真实的汽车进行的试验,结果表明,估算器的估算是高质量及高准确性的,因此,能够有效地减少传动系的间隙引发的负面作用。索引词——汽车传动系,间隙,基于事件的采样,扩展卡尔曼滤波,非线性估计,参量估计,状态估计。一.引言间隙常常在汽车传动系中出现,例如齿轮之间的间隙。当传动系在可控状态下时,控制回路受限的原因之一是间隙的补偿能力。为了设计一个高性能的间隙补偿控制系统,间隙大小和系统的当前状态的信息都是必要的[1]-[3]。间隙大小知识对状态估计同样很重要。司机在刹车至加速及加速至刹车时的跟踪记录横向间隙的可能性极其重要。在这些所谓的刹车和驱动的实践中,间隙现象反复出现,并可能有“分流和洗牌”(指控制线路的震荡引发的结果和接触带来的影响)的现象出现。因此,发动机的控制必须补偿间隙作用[1],[4]。有关旋转系统的间隙估计的文章很少被发表。状态估计的报告几乎没有。经由卡尔曼滤波的无间隙旋转系统的速度和加速度的估计在[5]和[6]。在[7]里,间隙大小的估计作为具体系统结构的自适应控制方法和系统的输入和输出的间隙的一部分。在这些结构中,间隙的输出面不影响输入面。在旋转系统中,轴的转矩同时影响间隙处的两侧,这些模型结构不能够被适用。在[8]和[9]里呈现了一个决定间隙大小的流程,这个流程里运用正弦曲线信号来激活系统。在[2]里,间隙的大小被一个机器人手臂所测量。一个离线方法被描述,轴的转矩绕组被估算为轴的位移函数,也就是说轴的一个部位的刚度和侧隙数据被测得。在[3]里,一个适合旋转系统的方法被描述,在控制信号中加入了一个正弦信号。一个缺口大小的参数被加入来调整模式设备和物质设备一致其相吻合。在汽车传动系中,间隙大小因为车的平台与磨损以及温度变化而不同。因此,大小的估计需要持续运行,并且不能够进行实验,例如加入正弦信号等。唯一需要的激励措施(既系统的输入变化)就是正常的驾驶,也包括加速和刹车。如果引擎弹性悬置作为传动系间隙的一部分,那么温度依赖性就会变得清晰。然而这里并没有明确的运用到传动系模型中。估算器设计用的模型其实是分段线性系统,也就是在不同模式之间相互切换的系统,每一个都是由非线性动力学描述的。这种系统的状态估计在离散模式的案例得知的前提下在[13]有涉及。当不得知时,如同这里的调查结果一样,有限的结果存在于这个模型结构中,如见[14]-[19]。类似[1],本文的目的是描述一个可以对间隙补偿控制器实施的估算器。图1.传动系模型因此,估算器的数据来源于间隙补偿控制器,在[20]对全状态信息案例有所描述。一个试验车辆的实验数据同样被用来评估这个估算器。第二部分描述了整个传动系模型并且定义了本文中的符号。第三部分和第四部分呈现了所用的估计和获得的模拟结果。第五部分用的数据来自于一个真实的汽车上的传感器,用于实验验证。本文结尾部分总结了一些结论并对未来研究做了一些指示。二.系统模型本节中传动系及其间隙模型代表了“真实”的系统,也就是说该系统被用来生成估算器所用的实验数据。传感器模型被用来生成杂乱(量化)的测量数据。该模型还用于卡尔曼滤波器的设计。传动系模型传动系模型(见图.1)代表了一个客车的第一节低速齿轮,这个部位最容易受到间隙影响。一个双惯性模型被使用,其中一个惯性矩代表引擎飞轮(马达)。另一个惯性矩代表来自车轮和车(载荷)。变速箱靠在引擎惯性矩旁。传动系中的所有间隙在反冲作用下合成一个间隙,这是一个合理的假设,因为旋转所造成的混乱影响微不足道。下面的符号被使用(参见图1)。m和I分别代表电机和负载。Jm,Jl[kg•m2]是瞬时惯性和bm,bm,bl[N•m(rads)]是粘滞摩擦常数。k[N•mrad]是轴弹性,c[N••m(rads)]是轴的阻尼。Tm,Tg,Ts和Tl[N•m]分别是引擎输出扭矩,变速箱输入,变速箱输出和路载。Tmref[N•m]是引擎转矩需求。I[radrad]是齿轮箱比率(一个正数)。2α[rad]是间隙大小尺寸。θm,θl[rad],ωm,ωl[rads]是角位置,电机转速和负载。θ1,θ2和θ3[rad]是轴上指定位置的角。接下来,将讨论估量变值。变速箱和惯性方程如下Jmθm+bmθm=Tm-Tg(1)Jlθl+blθl=Ts-Tl(2)Tg
单篇购买
VIP会员(1亿+VIP文档免费下)

扫码即表示接受《下载须知》

机械-间隙估算

文档大小:

限时特价:扫码查看

• 请登录后再进行扫码购买
• 使用微信/支付宝扫码注册及付费下载,详阅 用户协议 隐私政策
• 如已在其他页面进行付款,请刷新当前页面重试
• 付费购买成功后,此文档可永久免费下载
年会员
99.0
¥199.0

6亿VIP文档任选,共次下载特权。

已优惠

微信/支付宝扫码完成支付,可开具发票

VIP尽享专属权益

VIP文档免费下载

赠送VIP文档免费下载次数

阅读免打扰

去除文档详情页间广告

专属身份标识

尊贵的VIP专属身份标识

高级客服

一对一高级客服服务

多端互通

电脑端/手机端权益通用

手机号注册 用户名注册
我已阅读并接受《用户协议》《隐私政策》
已有账号?立即登录
我已阅读并接受《用户协议》《隐私政策》
已有账号?立即登录
登录
手机号登录 微信扫码登录
微信扫一扫登录 账号密码登录

首次登录需关注“豆柴文库”公众号

新用户注册
VIP会员(1亿+VIP文档免费下)
年会员
99.0
¥199.0

6亿VIP文档任选,共次下载特权。

已优惠

微信/支付宝扫码完成支付,可开具发票

VIP尽享专属权益

VIP文档免费下载

赠送VIP文档免费下载次数

阅读免打扰

去除文档详情页间广告

专属身份标识

尊贵的VIP专属身份标识

高级客服

一对一高级客服服务

多端互通

电脑端/手机端权益通用