您所在位置: 网站首页 / 文档列表 / 给排水/暖通与智能化 / 文档详情
管道铺设施工设计.doc 立即下载
上传人:天马****23 上传时间:2024-09-07 格式:DOC 页数:42 大小:1.5MB 金币:10 举报 版权申诉
预览加载中,请您耐心等待几秒...

管道铺设施工设计.doc

管道铺设施工设计.doc

预览

免费试读已结束,剩余 32 页请下载文档后查看

10 金币

下载文档

如果您无法下载资料,请参考说明:

1、部分资料下载需要金币,请确保您的账户上有足够的金币

2、已购买过的文档,再次下载不重复扣费

3、资料包下载后请先用软件解压,在使用对应软件打开

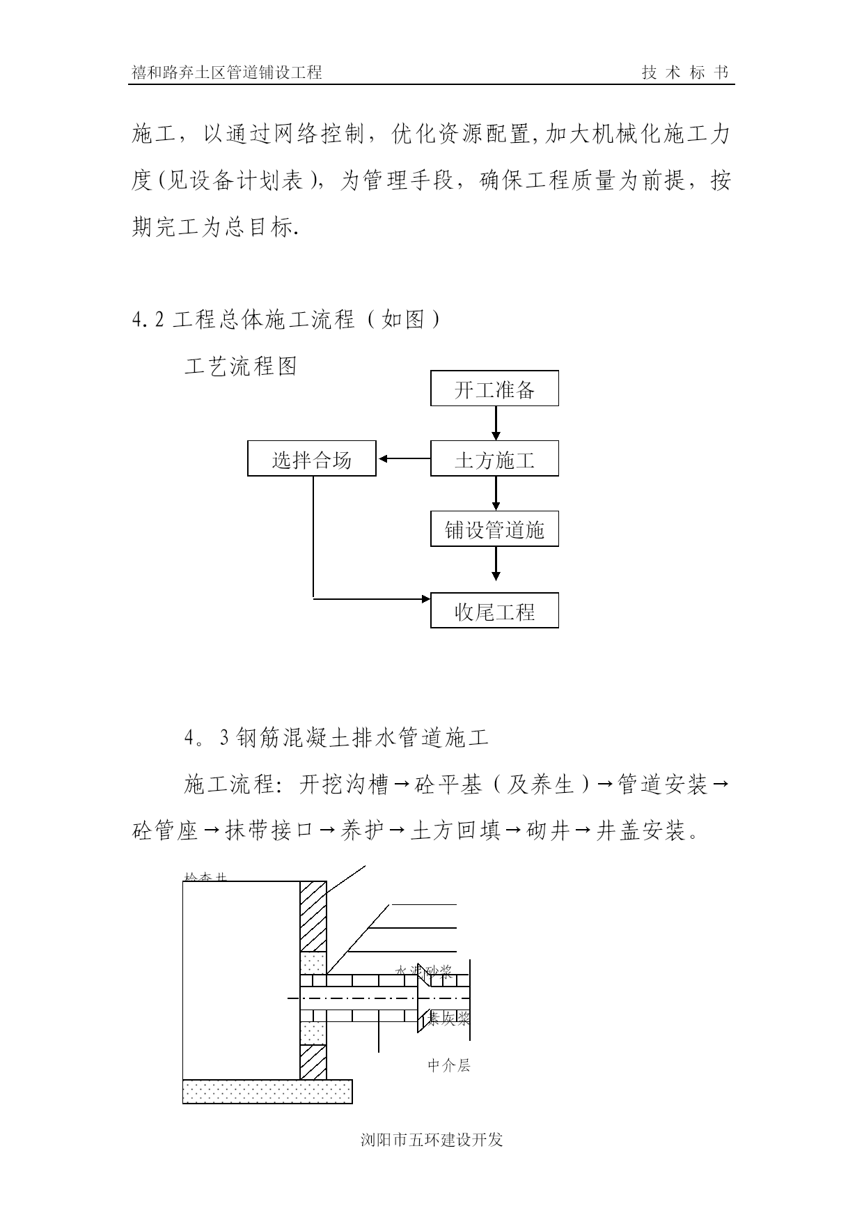
禧和路弃土区管道铺设工程技术标书浏阳市五环建设开发管道铺设施工设计【实用文档】doc文档可直接使用可编辑,欢迎下载施工组织设计第一章工程概况1。1工程名称:禧和路弃土区管道铺设工程建设单位:开元发展浏阳建设规模:挖沟槽淤泥1129.45M3,,砌筑ф1500、深10M污水井4座、深8米污水井3座,砌筑Ф1500、深2M污水井2座,铺设DN1000*2000砼管道184.75M,铺设DN800*2000砼管道226M,铺设DN600*2000砼管道31.75M,缺方内运2045M3。工期要求:施工总工期30日历天。1.2污水管道第二章编制说明2。1编制原则2。1。1积极响应招标文件所规定的各项要求,根据本工程特点按工期要求分期分批组织施工,确保如质如期完成全部的工程内容.设立禧和路弃土区管道铺设工程项目经理部,实行项目经理责任制,规范施工项目管理行为,明确企业各层次人员的职责和相关工作关系,满足本工程施工的需要。选派一名工程师作为项目技术负责人,对工程施工中重大技术问题进行把关,并对工程的技术和质量管理进行总体控制。2.1.3项目经理部设工程技术部、质安办、物资设备部、合约财务部,其基本职责如下:、项目经理部组织机构图项目经理工程技术部质安办合约财务部物资设备部各专业施工队1)工程技术部对本工程的施工准备、施工生产调度、施工管理、施工图纸的审核、施工方案的审定、施工测量放线复核、技术交底与复核、工程技术资料管理、检测试验、计划、统计。2)质安办:具体负责施工过程的质量、安全检查、分项工程的验收和评定,质量记录的收集、整理工作以及现场施工安全教育、安全检查并做好记录,由安全主任和质量检查员组成。3)物资设备部:负责编制物资采购计划及采购工作,进场物资的验收、保管、发放工作;负责现场机械设备的管理和维护。4)合约财务部:负责编制预、决算工作及工程进度款申报、劳动力工资核算,负责财务及成本核算工作。医疗、食堂管理、生活设施、文件、信函收发、对外关系协调、接待、生活办公用品及用具管理及负责保卫、防火等行政工作2。1.4对进入现场的生产要素进行合理配置和动态管理,满足工程施工的工艺要求,质量要求、安全要求和环境保护要求.2。1.5严格执行和本工程相关的施工技术规范,及验收标准,确保本工程满足设计要求,如期投入使用。2.1。6施工进度控制在实现合同约定的竣工日期并适当提前为总目标,合理安排施工的程序和顺序,突出重点,科学组织,保证各分部、分项工程的协调和配合,使各工序衔接紧密,以保持施工的连续均衡有序的进行。2。1。7施工中,坚持“质量第一,预防为主”的方针和“计划、执行、检查、处理"循环的工作方法,确保质量目标的实现。2.1。8针对该工程的特点,坚持“安全第一,预防为主,综合治理”的方针制定切实可行的管理措施,保证安全生产,合理的对施工现场规划布置,节约施工临时用地,严格文明施工管理,创安全生产文明施工合格工地。2.2编制依据2。2。1政府及有关部门制定的交通管理、安全生产、文明施工、环境保护等法律、法规。2.2.2我公司现拥有的劳动力、机械设备、施工管理技术、职业技能,以及类似工程建设所积累的丰富的施工经验。第三章工程管理目标3.1工期管理目标根据招标文件对本工程的工期要求,在综合我公司的各方面资源条件,目前本市气候和施工现场环境对工程的影响,本工程施工总工期以30个日历天为目标工期。3。2质量管理目标单位工程竣工验收一次合格率100%,力争达到优良等级。3。3安全管理目标在施工之中,将认真贯彻“安全第一、预防为主、综合治理”的方针.严格执行国家及湖南省政府机关颁布的有关安全生产的《规定》,科学的编制《安全施工方案》,把安全生产放在首位;采取有效的防范措施。有效地制止违章指挥和违章作业,以杜绝人身伤亡事故,杜绝机械设备重大损失事故、杜绝交通运输责任事故、杜绝火灾事故、杜绝因施工造成的对周围环境影响的责任事故。3.4文明施工管理目标贯彻“全面规划,合理布局,综合利用,化害为利,造福人民”的环境保护工作方针,施工期间严格遵守国务院和湖南省政府关于控制环境污染的《法律》和《法规》,采取有效的措施防止施工中的燃料、油料、化学物质、污水、废弃物、垃圾等对环境的污染,保证从业人员的身体健康。防止扬尘、噪音对大气和环境的污染,创文明施工管理优良工地。第四章施工方案4。1总体部署4。1.1基本方针针对本工程工期紧,工程量大,施工内容多的特点。我公司计划采取关键“工序带头,后续工序紧跟,紧密衔接"的方式快速施工.用“主攻土方工程,迅速实施排水工程,工程步步跟进”的三大工序同步实施的方法,实行平行流水施工,以通过网络控制,优化资源配置,加大机械化
单篇购买
VIP会员(1亿+VIP文档免费下)

扫码即表示接受《下载须知》

管道铺设施工设计

文档大小:1.5MB

限时特价:扫码查看

• 请登录后再进行扫码购买
• 使用微信/支付宝扫码注册及付费下载,详阅 用户协议 隐私政策
• 如已在其他页面进行付款,请刷新当前页面重试
• 付费购买成功后,此文档可永久免费下载
年会员
99.0
¥199.0

6亿VIP文档任选,共次下载特权。

已优惠

微信/支付宝扫码完成支付,可开具发票

VIP尽享专属权益

VIP文档免费下载

赠送VIP文档免费下载次数

阅读免打扰

去除文档详情页间广告

专属身份标识

尊贵的VIP专属身份标识

高级客服

一对一高级客服服务

多端互通

电脑端/手机端权益通用

手机号注册 用户名注册
我已阅读并接受《用户协议》《隐私政策》
已有账号?立即登录
我已阅读并接受《用户协议》《隐私政策》
已有账号?立即登录
登录
手机号登录 微信扫码登录
微信扫一扫登录 账号密码登录

首次登录需关注“豆柴文库”公众号

新用户注册
VIP会员(1亿+VIP文档免费下)
年会员
99.0
¥199.0

6亿VIP文档任选,共次下载特权。

已优惠

微信/支付宝扫码完成支付,可开具发票

VIP尽享专属权益

VIP文档免费下载

赠送VIP文档免费下载次数

阅读免打扰

去除文档详情页间广告

专属身份标识

尊贵的VIP专属身份标识

高级客服

一对一高级客服服务

多端互通

电脑端/手机端权益通用