您所在位置: 网站首页 / 文档列表 / 国内外标准规范 / 文档详情
6-2 机电设备完好标准.docx 立即下载
上传人:白真****ng 上传时间:2024-09-04 格式:DOCX 页数:5 大小: 金币:10 举报 版权申诉
预览加载中,请您耐心等待几秒...

6-2 机电设备完好标准.docx

6-2机电设备完好标准.docx

预览

在线预览结束,喜欢就下载吧,查找使用更方便

10 金币

下载文档

如果您无法下载资料,请参考说明:

1、部分资料下载需要金币,请确保您的账户上有足够的金币

2、已购买过的文档,再次下载不重复扣费

3、资料包下载后请先用软件解压,在使用对应软件打开

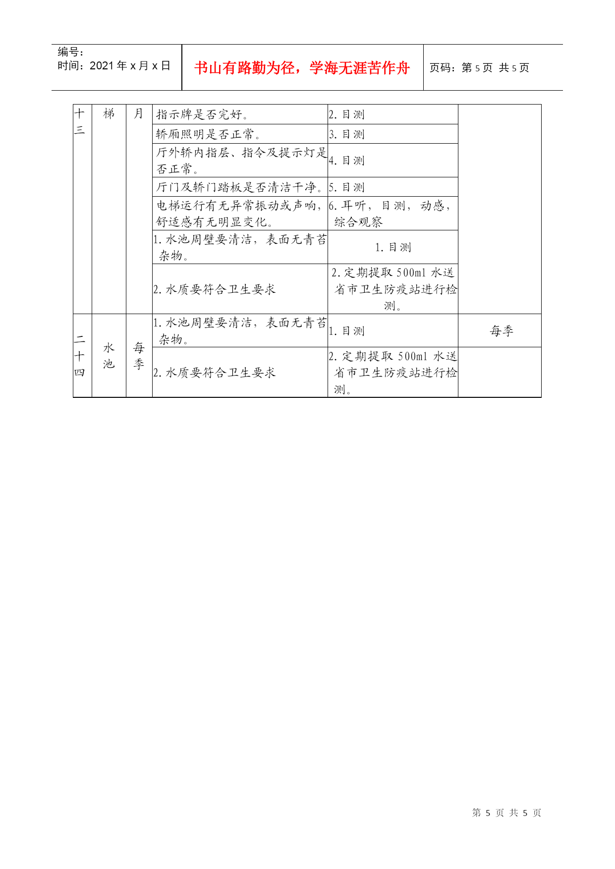
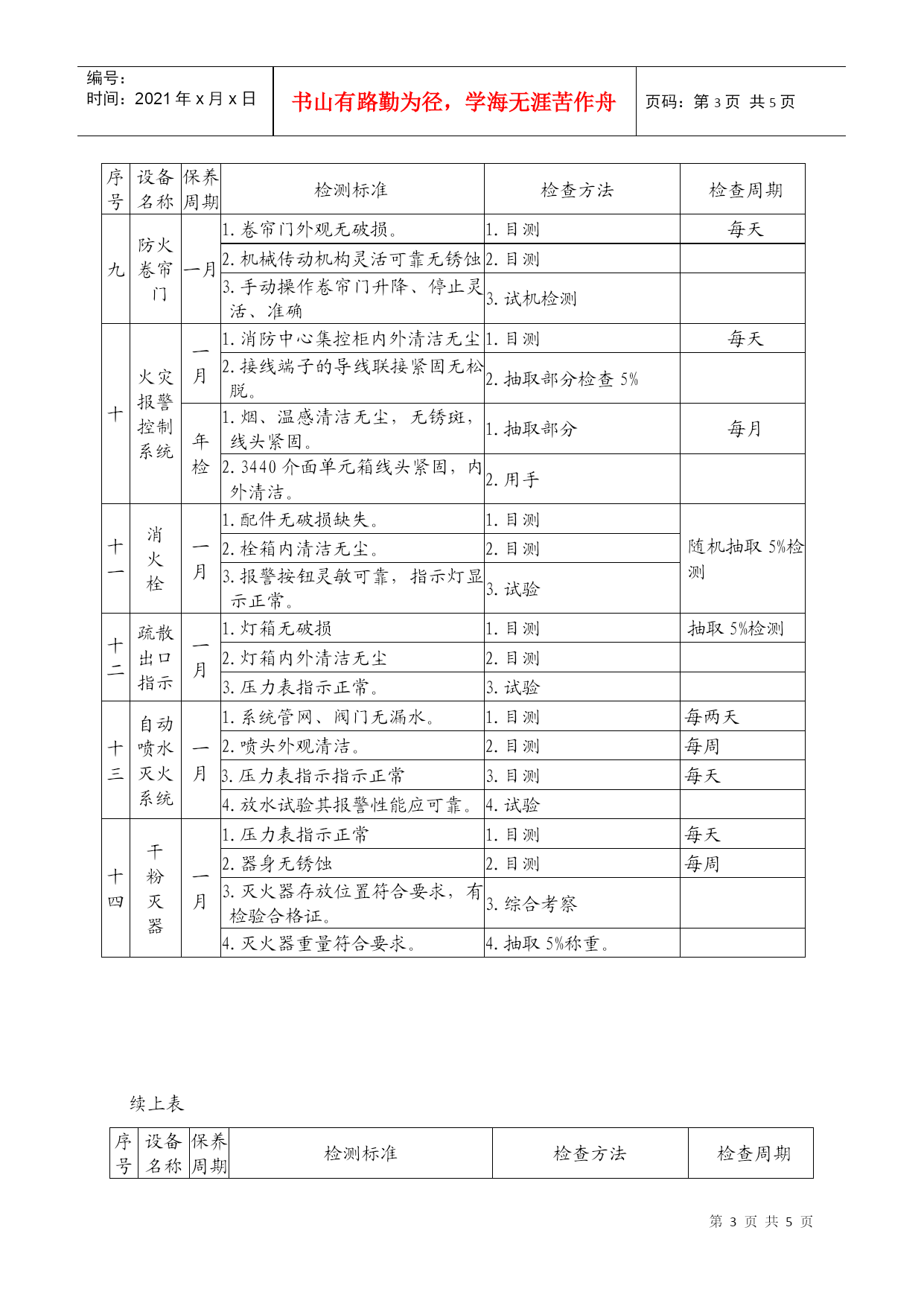
编号:时间:2021年x月x日书山有路勤为径,学海无涯苦作舟页码:第PAGE5页共NUMPAGES5页第PAGE\*MERGEFORMAT5页共NUMPAGES\*MERGEFORMAT5页机电设备完好标准序号设备名称保养周期检测标准检查方法检查周期一电动机每两个月手动盘转应无异常声响无卡阻。.耳听、手感。开机前.三相绕组绝缘符合要求。用1000V摇表摇测。联轴器的联接可靠,间隙符合标准,传动皮带或传动链的联接松紧适度。联轴器联接间隙约2-3毫米传运皮带、传动链在两传动轮中部下压可压下一指高为松紧适度。带负荷运行无异常声响。用长螺丝刀一端与电动机相接触,另一端与耳朵相贴,听其内部声响。每天三相电流应平衡。用钳形电流表测电流。每天二柴油发电机十五天或运行前机油油位、水箱水位、柴油油位,符合标准。目测整个机组无漏油、漏水现象。目测蓄电池电解液液位、输出电压合乎标准。液位高于极片约10—15MM,输出电压不低于24V。开机试运行运转正常,各仪表指示在规定范围内。综合考察分析运行声音正常,排烟口排出的烟为灰白烟。耳听目测三干式变压器按保养规定变压器内外清洁无异物。目测每天巡查母线、电缆线与变压器联接良好。用手扳动无松动感。每天巡查各电器开关完好无损。用2500V播表摇测。半年或停电时各电器在投入运行后能正常运行,无异常声响。耳听每天巡查续上表序号设备名称保养周期检测标准检查方法检查周期四低压配电柜半年或停电时配电柜内清洁无尘、无异物。目测每天母线、电缆线之间联接处接触良好。抽取部分联接处用手扳动无松动感每天各电器开关完好无损。抽取部分操作试验每天各电器在投入运行后能正常运行,无异常声响。综合观察。每天五水泵一月泵体外观清洁,标识无破损。目测每天手动盘转无卡阻、无异常声响。耳听每天泵体与电机联系可靠,同轴度合乎要求。联轴器圆周对称抽四点检查间隙是否阻滞一致。每天泵体和附近与之相连的管道阀门无漏水。目测压力表压力指示正常,单向阀门无倒流。目测打开旋塞观察。耳听润滑油脂在规定范围内密封良好。六风机半年1.风机及其相连的软管清洁无杂物。1.目测每天2.传动皮带联接良好,松紧适度。2.手压皮带轮间的皮带中部可压下一指高。3.手动盘转风机皮带轮无卡阻、无异声。3.耳听、手感4.试行无异常声响。4.耳听。七防盗监控系统一月1.电视图像清晰逼真。1.目测每天2.主机功能齐全。2.试机检查。3.摄像镜头覆盖范围调节适当,镜头防护良好,清洁无尘。3.目测每天八对讲报警系统半年1.主机无破损,外观清洁无尘。1.目测每天2.功能可靠,线路无故障。至各个住户的对讲都畅通。2.随机抽取部分住户进行试验续上表序号设备名称保养周期检测标准检查方法检查周期九防火卷帘门一月1.卷帘门外观无破损。1.目测每天2.机械传动机构灵活可靠无锈蚀2.目测3.手动操作卷帘门升降、停止灵活、准确3.试机检测十火灾报警控制系统一月1.消防中心集控柜内外清洁无尘。1.目测每天2.接线端子的导线联接紧固无松脱。2.抽取部分检查5%年检1.烟、温感清洁无尘,无锈斑,线头紧固。1.抽取部分每月2.3440介面单元箱线头紧固,内外清洁。2.用手十一消火栓一月1.配件无破损缺失。1.目测随机抽取5%检测2.栓箱内清洁无尘。2.目测3.报警按钮灵敏可靠,指示灯显示正常。3.试验十二疏散出口指示一月1.灯箱无破损1.目测抽取5%检测2.灯箱内外清洁无尘2.目测3.压力表指示正常。3.试验十三自动喷水灭火系统一月1.系统管网、阀门无漏水。1.目测每两天2.喷头外观清洁。2.目测每周3.压力表指示指示正常3.目测每天4.放水试验其报警性能应可靠。4.试验十四干粉灭器一月1.压力表指示正常1.目测每天2.器身无锈蚀2.目测每周3.灭火器存放位置符合要求,有检验合格证。3.综合考察4.灭火器重量符合要求。4.抽取5%称重。续上表序号设备名称保养周期检测标准检查方法检查周期十五灯具每周1.外观是否完好,是否松脱。1.目测两天2.有无积尘,光亮度是否符合要求。有无裉色,破损2.目测每三天3.灯泡是否符合设计要求,型号、功率等。3.检查每周十六给水每月1.主供水管无锈迹、无漏水。1.目测每天2.闸阀是否完好。2.目测每周3.闸阀标识是否清晰。3.目测每天十七排水按实际1.雨水井、沉沙井、排水井是否有堵塞现象。1.检查疏通三下雨时2.井盖是否完好。2.目测两天十八阀门每周1.闸阀、法兰连接处是否漏水。1.目测,检查每天2.止回阀,浮球阀、液位控制器是否可靠。2.目测
单篇购买
VIP会员(1亿+VIP文档免费下)

扫码即表示接受《下载须知》

6-2 机电设备完好标准

文档大小:

限时特价:扫码查看

• 请登录后再进行扫码购买
• 使用微信/支付宝扫码注册及付费下载,详阅 用户协议 隐私政策
• 如已在其他页面进行付款,请刷新当前页面重试
• 付费购买成功后,此文档可永久免费下载
年会员
99.0
¥199.0

6亿VIP文档任选,共次下载特权。

已优惠

微信/支付宝扫码完成支付,可开具发票

VIP尽享专属权益

VIP文档免费下载

赠送VIP文档免费下载次数

阅读免打扰

去除文档详情页间广告

专属身份标识

尊贵的VIP专属身份标识

高级客服

一对一高级客服服务

多端互通

电脑端/手机端权益通用

手机号注册 用户名注册
我已阅读并接受《用户协议》《隐私政策》
已有账号?立即登录
我已阅读并接受《用户协议》《隐私政策》
已有账号?立即登录
登录
手机号登录 微信扫码登录
微信扫一扫登录 账号密码登录

首次登录需关注“豆柴文库”公众号

新用户注册
VIP会员(1亿+VIP文档免费下)
年会员
99.0
¥199.0

6亿VIP文档任选,共次下载特权。

已优惠

微信/支付宝扫码完成支付,可开具发票

VIP尽享专属权益

VIP文档免费下载

赠送VIP文档免费下载次数

阅读免打扰

去除文档详情页间广告

专属身份标识

尊贵的VIP专属身份标识

高级客服

一对一高级客服服务

多端互通

电脑端/手机端权益通用