您所在位置: 网站首页 / 文档列表 / 机械/仪表工业 / 文档详情
机械制造企业安全质量标准化考核评级标准.doc 立即下载
上传人:天马****23 上传时间:2024-09-08 格式:DOC 页数:183 大小:5.4MB 金币:10 举报 版权申诉
预览加载中,请您耐心等待几秒...

机械制造企业安全质量标准化考核评级标准.doc

机械制造企业安全质量标准化考核评级标准.doc

预览

免费试读已结束,剩余 173 页请下载文档后查看

10 金币

下载文档

如果您无法下载资料,请参考说明:

1、部分资料下载需要金币,请确保您的账户上有足够的金币

2、已购买过的文档,再次下载不重复扣费

3、资料包下载后请先用软件解压,在使用对应软件打开

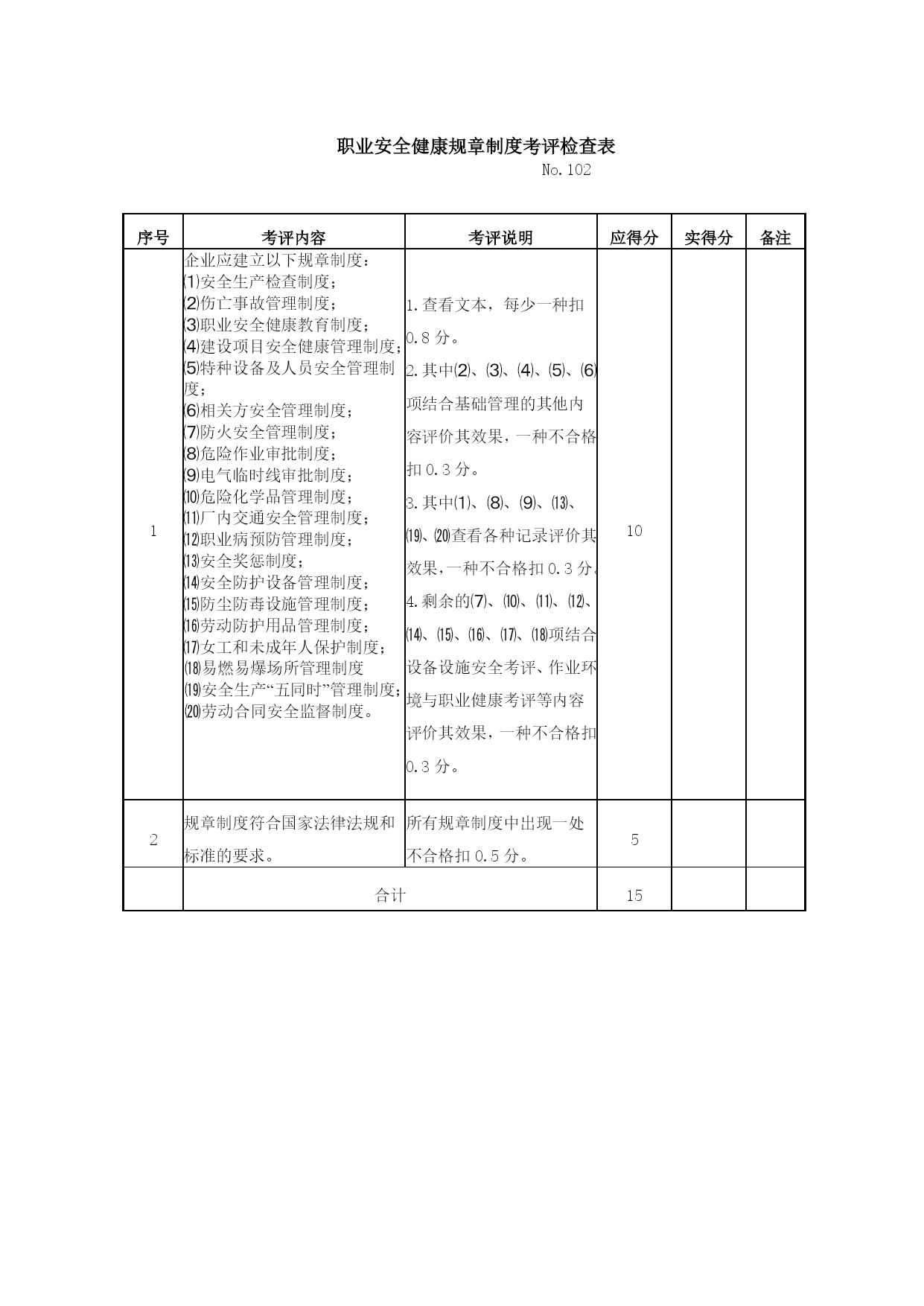
机械制造企业安全质量标准化考核评级标准优质资料(可以直接使用,可编辑优质资料,欢迎下载)机械制造企业安全质量标准化考核评级标准序号考评内容查证、测定方法指标应得分评分标准实得分抽查数量目标值实测值一、基础管理考评(230分)1安全生产责任制按No.101查证100%15按检查表实得分2职业安全健康规章制度按No.102查证20种15按检查表实得分3规划与年度计划按No.103查证,查前三年资料15按检查表实得分4机构与人员按No.104查证15按检查表实得分5职业安全健康教育,其中按No.105查证,查前三年资料9种45按检查表实得分新职工进厂三级教育100%6少1人扣全分特种作业人员培训教育100%8少1人扣全分中层及中层以上干部教育100%4少10%扣2分班组长教育100%4少5%扣2分变换工种和“四新”教育100%3少5%扣2分职业健康教育90%3少5%扣2分全员教育80%4少5%扣2分复工教育100%3少5%扣2分安全管理人员教育100%6少1人扣全分安全知识抽查合格率≥80%4低于80%扣4分6事故管理按No.106查证,查前三年资料20按检查表实得分7“三同时”管理按No.107查证,查前三年资料15按检查表实得分8班组安全管理按No.108查证安全班组合格率100%12按检查表计分,实得分=×0.12×1009安全操作规程按No.109查证13按检查表实得分10特种设备及人员安全管理按No.110查证,查前二年资料10按检查表实得分11相关方安全管理按No.111查证,查前二年资料10按检查表实得分12现场监督检查按No.112查证,查前三年资料10按检查表实得分13应急救援预案按No.113查证10按检查表实得分14危险源管理按No.114查证10按检查表实得分15安全健康档案按No.115查证12种15按检查表实得分二、设备设施安全考评(600分)1工业气瓶按No.201查证不合格率022按不合格率计算每1%扣0.54分2危险化学品库按No.202查证10按检查表实得分,多个危险化学品库取平均值3油库、油罐按No.203查证20按检查表实得分,多个油库取平均值4液化气站按No.204查证12按检查表实得分,多个液化气站取平均值5煤气站按No.205查证10按检查表实得分6制氧站按No.206查证10按检查表实得分7压力容器按No.207查证不合格率016按不合格率计算每1%扣0.50分8乙炔发生站按No.208查证不合格率15按检查表计分,多个站房按不合格率计算每1%扣0.60分9锅炉与辅机按No.209查证不合格率024按不合格率计算每1%扣0.80分10空压机按No.210查证16按检查表实得分,多台空压机取平均值11工业管道按No.211查证8按检查表实得分12木料场所按No.212查证8按检查表实得分,多个木料场所取平均值13工厂建筑按No.213查证不合格率010按不合格率计算每1%扣0.40分14涂装作业场所按No.214查证15按检查表实得分,多处场所取平均值15锻造机械按No.215查证不合格率012按不合格率计算每1%扣0.36分16铸造机械按No.216查证不合格率018按不合格率计算每1%扣0.54分17铸造熔炼炉按No.217查证不合格率012按不合格率计算每1%扣0.54分18酸碱油槽按No.218查证不合格率05按不合格率计算每1%扣0.20分19工业梯台(直梯)按No.219-1查证不合格率02按不合格率计算每1%扣0.048分20工业梯台(斜梯)按No.219-2查证不合格率02按不合格率计算每1%扣0.048分21工业梯台(活动轻金属梯)按No.219-3查证不合格率02按不合格率计算每1%扣0.048分22工业梯台(轮式移动平台)按No.219-4查证不合格率02按不合格率计算每1%扣0.048分23工业梯台(走台、平台)按No.219-5查证不合格率02按不合格率计算每1%扣0.048分24工业炉窑按No.220查证不合格率012按不合格率计算每1%扣0.36分25厂内机动车辆按No.221查证不合格率015按不合格率计算每1%扣0.50分26运输(输送)机械按No.222查证12按检查表实得分,多个运输(输送)机械取平均值27变配电系统按No.223查证40按检查表实得分,多台取平均值28低压电气线路(固定线路)按No.224-1查证不合格率05按不合格率计算每1%扣0.18分29低压电气线路(临时线路)按No.224-2查证不合格率05按不合格率计算每1%扣0.18分30动力(照明)配电箱(柜、板)按No.225查证不合格率020按不合格率计算每1%扣0.72分31电网接地系统按No.
单篇购买
VIP会员(1亿+VIP文档免费下)

扫码即表示接受《下载须知》

机械制造企业安全质量标准化考核评级标准

文档大小:5.4MB

限时特价:扫码查看

• 请登录后再进行扫码购买
• 使用微信/支付宝扫码注册及付费下载,详阅 用户协议 隐私政策
• 如已在其他页面进行付款,请刷新当前页面重试
• 付费购买成功后,此文档可永久免费下载
年会员
99.0
¥199.0

6亿VIP文档任选,共次下载特权。

已优惠

微信/支付宝扫码完成支付,可开具发票

VIP尽享专属权益

VIP文档免费下载

赠送VIP文档免费下载次数

阅读免打扰

去除文档详情页间广告

专属身份标识

尊贵的VIP专属身份标识

高级客服

一对一高级客服服务

多端互通

电脑端/手机端权益通用

手机号注册 用户名注册
我已阅读并接受《用户协议》《隐私政策》
已有账号?立即登录
我已阅读并接受《用户协议》《隐私政策》
已有账号?立即登录
登录
手机号登录 微信扫码登录
微信扫一扫登录 账号密码登录

首次登录需关注“豆柴文库”公众号

新用户注册
VIP会员(1亿+VIP文档免费下)
年会员
99.0
¥199.0

6亿VIP文档任选,共次下载特权。

已优惠

微信/支付宝扫码完成支付,可开具发票

VIP尽享专属权益

VIP文档免费下载

赠送VIP文档免费下载次数

阅读免打扰

去除文档详情页间广告

专属身份标识

尊贵的VIP专属身份标识

高级客服

一对一高级客服服务

多端互通

电脑端/手机端权益通用